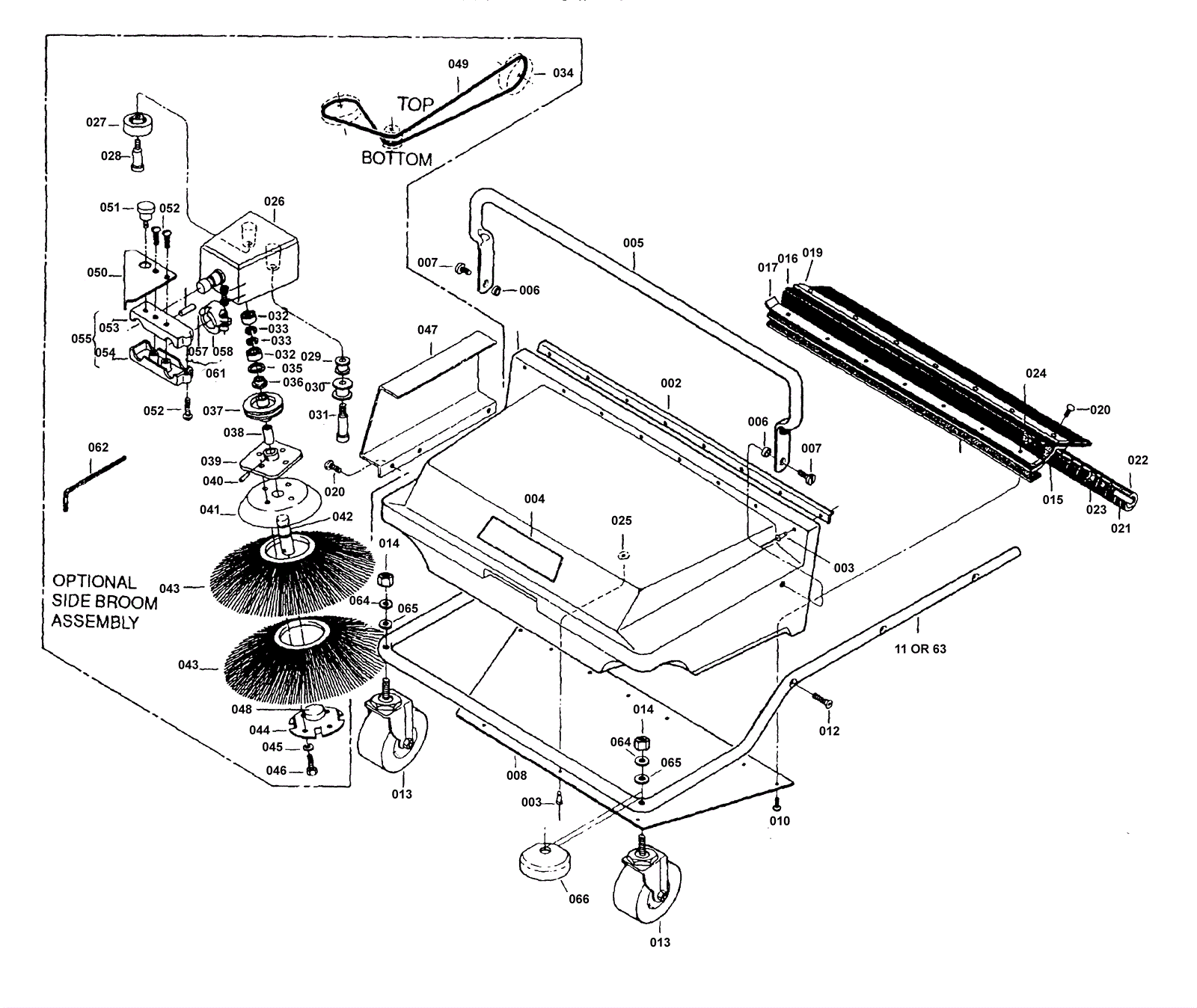
Hopper and Optional Sidebroom Assembly
Click to enlarge