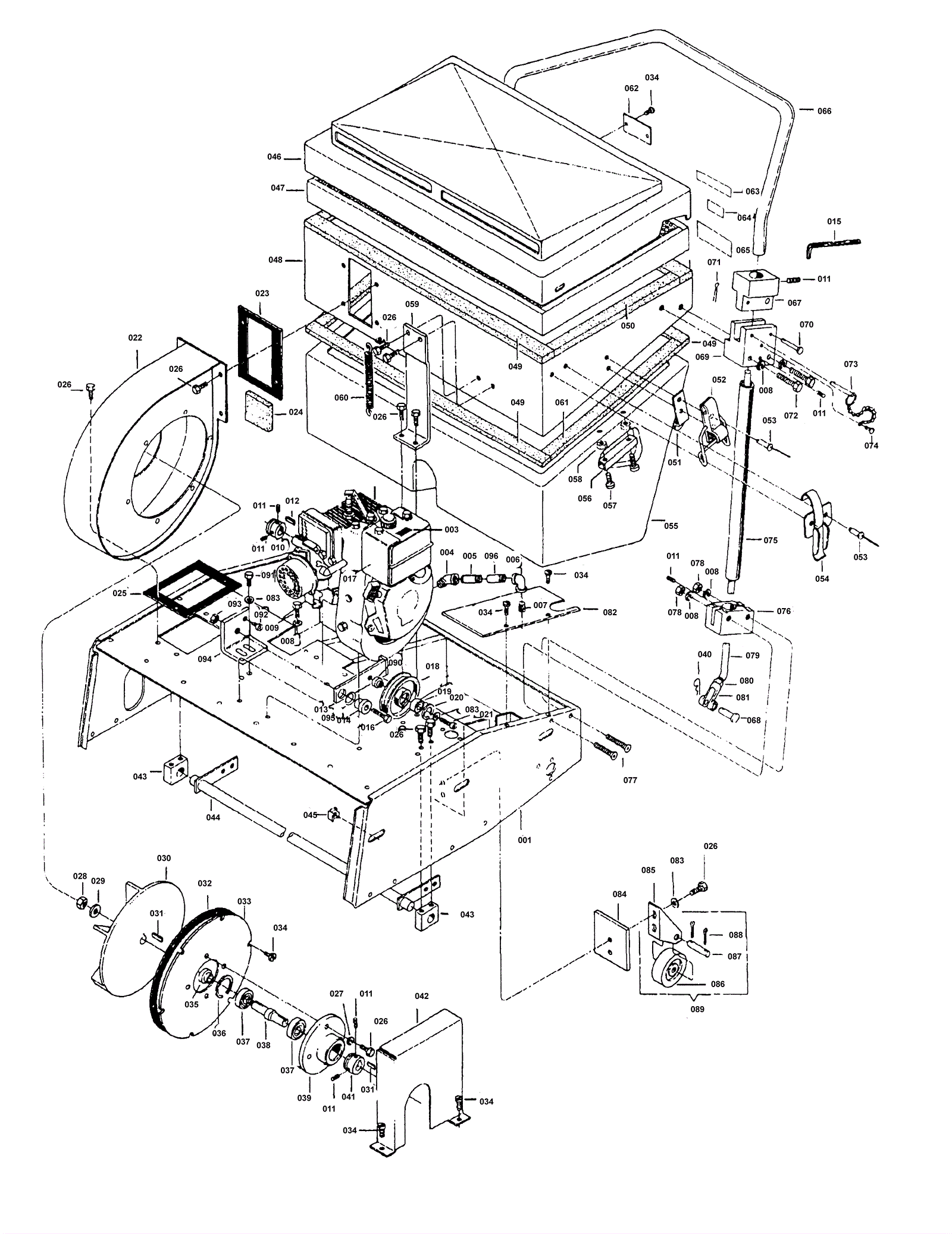
Engine and Dust Control Assembly 4/98 and Up
Click to enlarge