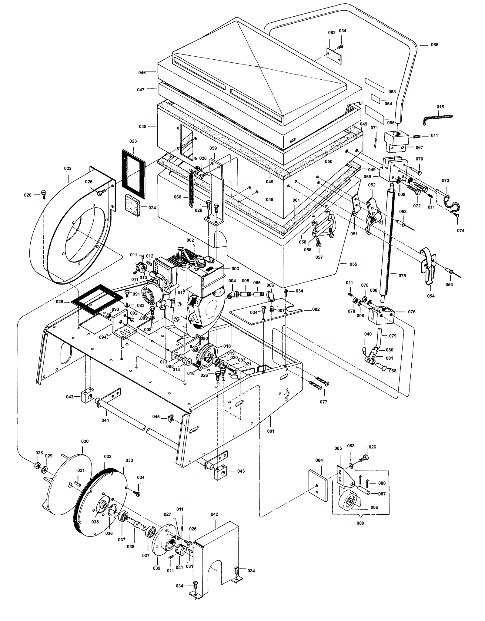
Engine and Dust Control Assembly
Click to enlarge