| # | Part | Description | Price | Req | Notes | Availability |
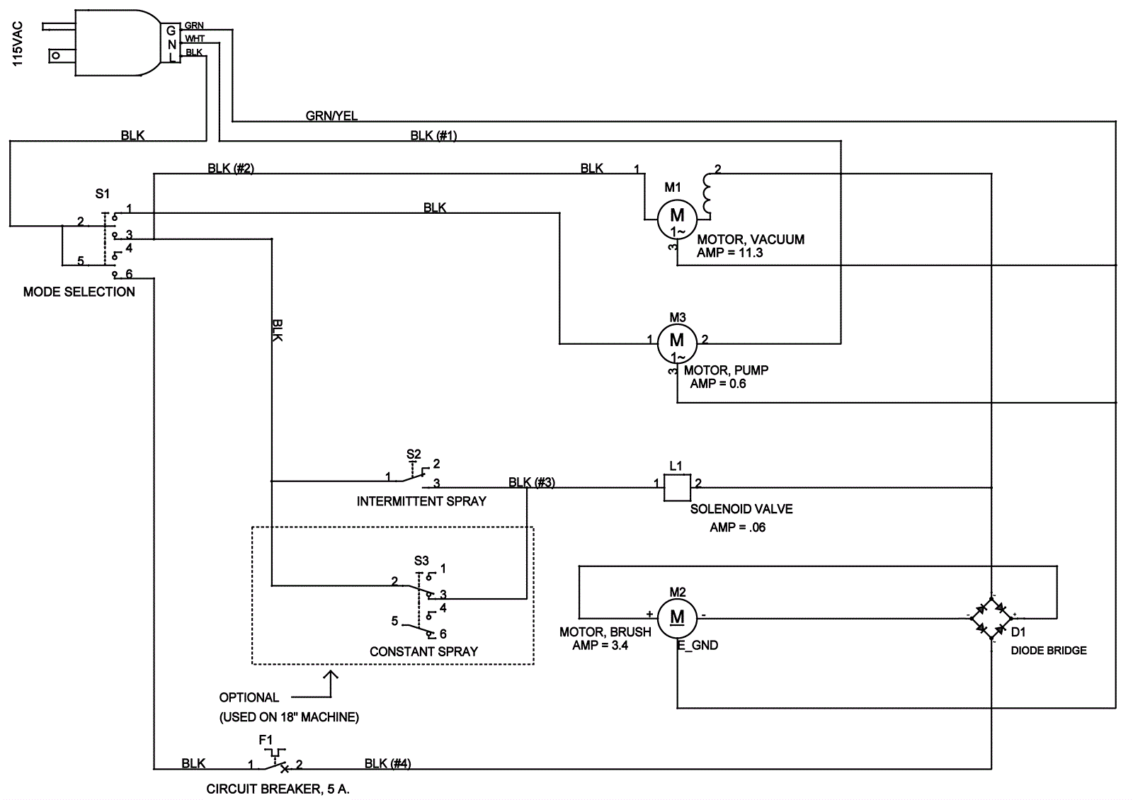
D1 |
172-4139
|
35amp rectifier |
$14.41
|
1 |
|
ships same day |
F1 |
170-5173
|
Circuit breaker |
$14.41
|
1 |
|
usually ships 13-18 days |
L1 |
272-0340
|
Solenoid valve |
$288.88
|
1 |
|
ships same day |
M1 |
272-0544
|
120V 3 stage vacuum motor |
$288.88
|
1 |
|
ships same day |
M2 |
272-0521
|
115V brush motor |
$463.53
|
1 |
|
ships same day |
M3a |
272-8143
|
115V 60 PSI pump |
$489.15
|
1 |
(OEM) |
usually ships 13-18 days |
M3b |
991-8547
|
115V 60 PSI pump |
$179.51
|
1 |
(NON-OEM) |
usually ships 8-10 days |
S1 |
272-0486
|
3 position rocker switch |
$37.27
|
1 |
|
usually ships 13-18 days |
S2 |
272-0495
|
Spray button |
$12.89
|
1 |
|
ships same day |
S3 |
272-0487
|
2 position rocker switch |
$32.56
|
1 |
(Clean Track L18) |
usually ships 13-18 days |
NS |
272-2666
|
Carbon brush (pkg of 2) |
$50.45
|
1 |
|
usually ships 13-18 days |
NS |
272-1215
|
Wire assembly |
$49.91
|
1 |
|
usually ships 13-18 days |
NS |
272-1216
|
Wire assembly |
$8.80
|
1 |
|
usually ships 1-5 days |
NS |
272-1227
|
Wire assembly |
$12.89
|
1 |
|
usually ships 1-5 days |