# | Part | Description | Price | Req | Notes | Availability |
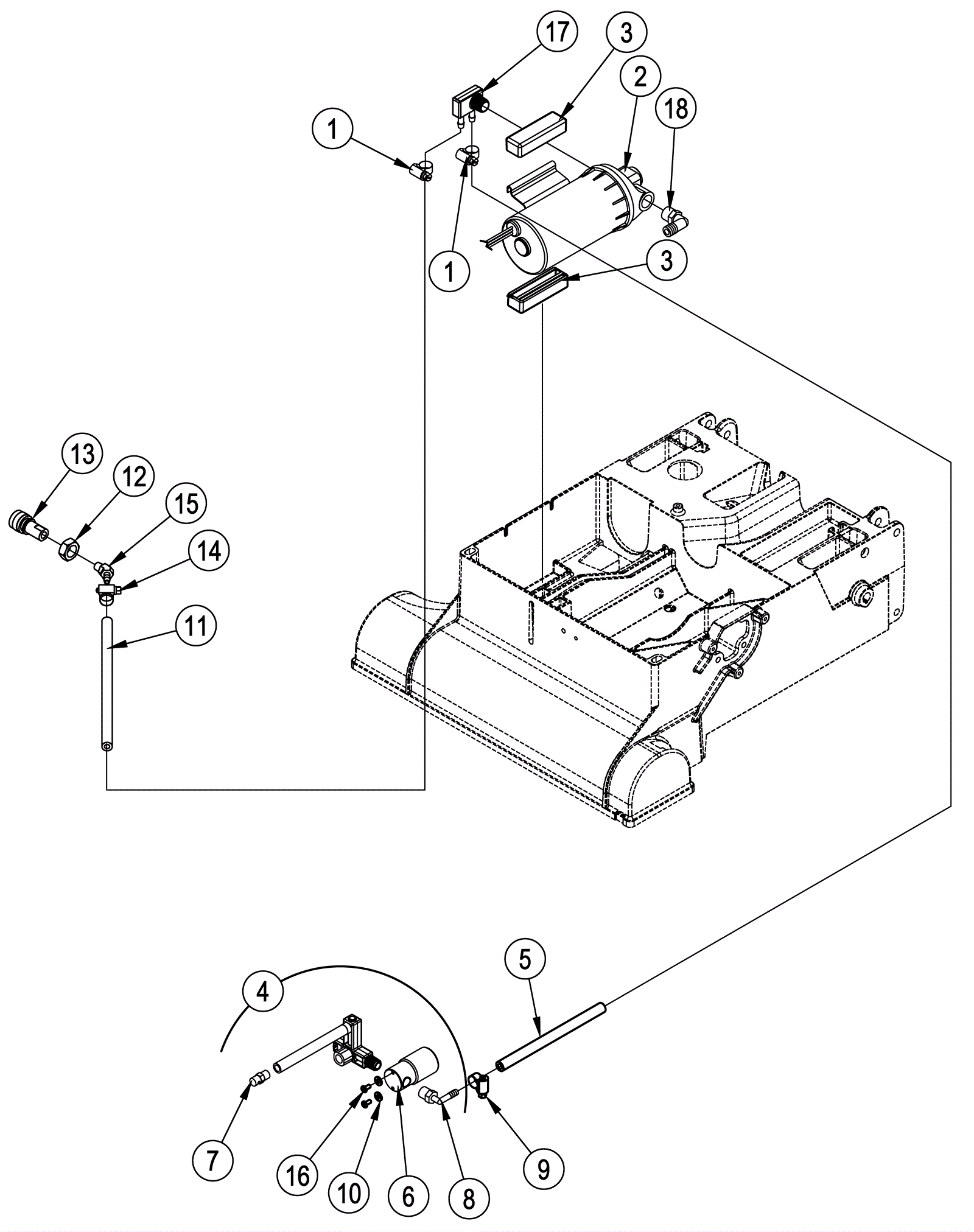
1 |
997-2001
|
Hose clamp |
$2.42
|
2 |
|
ships same day |
2a |
272-8143
|
115V 60 PSI pump |
$467.19
|
1 |
(OEM) |
usually ships 13-18 days |
2b |
991-8547
|
115V 60 PSI pump |
$179.51
|
1 |
(NON-OEM) |
usually ships 8-10 days |
3 |
272-0226
|
Pump mount |
$12.31
|
2 |
|
usually ships 13-18 days |
4 |
272-0602
|
Nozzle and valve assembly (OBSOLETE) |
$275.91
|
1 |
(includes 6-8) |
usually ships 13-18 days |
5 |
172-1350
|
10 inch hose |
$10.85
|
1 |
|
ships same day |
6 |
272-0340
|
Solenoid valve |
$275.91
|
1 |
|
ships same day |
7 |
272-0578
|
Spray nozzle |
$24.60
|
1 |
|
ships same day |
8 |
172-1337
|
90 degree barb 1/4 |
$26.04
|
1 |
|
usually ships 13-18 days |
9 |
997-2001
|
Hose clamp |
$2.42
|
1 |
|
ships same day |
10 |
999-0266
|
Washer #8 SAE flat stainless steel |
$0.99
|
2 |
|
ships same day |
11 |
172-1350
|
10 inch hose |
$10.85
|
1 |
|
ships same day |
12 |
999-0003
|
Nut 5/8-18 hex jam stainless steel |
$2.70
|
1 |
|
ships same day |
13 |
272-0606
|
1/8 inch quick connect female |
$81.60
|
1 |
|
usually ships 13-18 days |
14 |
997-2001
|
Hose clamp |
$2.42
|
1 |
|
ships same day |
16 |
999-1131
|
Screw 8-32 x 3/8 pan head phillips thread rolling SS |
$0.99
|
2 |
|
ships same day |
17 |
272-2775
|
Fitting barb kit |
$99.02
|
1 |
|
usually ships 3-26 days |
18 |
172-4056
|
90 degree barbed elbow |
$10.85
|
1 |
|
usually ships 13-18 days |