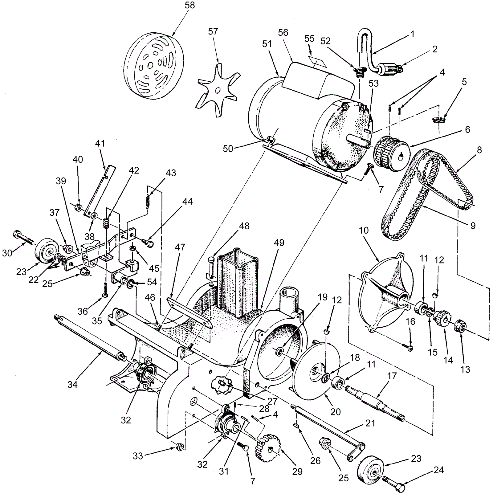
| # | Part | Description | Price | Req | Notes | Availability |
1 |
270-0804
|
Motor cord |
$58.09
|
1 |
|
usually ships 1-5 days |
2 |
170-1476
|
Male electrical plug |
$54.05
|
1 |
|
usually ships 12-15 days |
4 |
170-3369
|
Screw 10-32 x 5/16 slotted knurl |
$1.45
|
3 |
|
usually ships 1-5 days |
5 |
170-2413
|
Nut lock |
$1.21
|
1 |
|
usually ships 12-15 days |
6 |
372-1660
|
Pulley |
$432.47
|
1 |
|
usually ships 12-15 days |
7 |
270-0806
|
Screw 5/16-18 x 1 |
$1.21
|
6 |
|
usually ships 1-5 days |
8 |
170-7899
|
Fan belt |
$53.05
|
1 |
|
usually ships 12-15 days |
9 |
170-7900
|
Drum belt |
$94.80
|
1 |
|
usually ships 12-15 days |
10 |
372-1675
|
Cover |
$59.10
|
1 |
|
usually ships 12-15 days |
11 |
270-0808
|
Bearing |
$13.11
|
2 |
|
usually ships 12-15 days |
12 |
170-1464
|
Square keyway |
$1.21
|
2 |
|
usually ships 12-15 days |
13 |
999-0050
|
Nut 1/2-13 hex jam plain finish |
$0.99
|
1 |
|
ships same day |
14 |
372-1679
|
Fan pulley |
$17.15
|
1 |
|
usually ships 12-15 days |
15 |
170-7325
|
Internal retainer ring |
$4.84
|
1 |
|
usually ships 1-5 days |
16 |
999-0267
|
Screw 10-24 x 1/2 pan head phillips zinc |
$0.99
|
3 |
|
ships same day |
17 |
372-1680
|
Shaft fan |
$34.69
|
1 |
|
usually ships 12-15 days |
18 |
272-8202
|
Bowed washer |
$1.94
|
1 |
|
usually ships 12-15 days |
19 |
372-1671
|
Snap ring |
$1.45
|
1 |
|
usually ships 12-15 days |
20 |
372-1678
|
Fan impeller |
$187.39
|
1 |
|
usually ships 12-15 days |
21 |
270-0813
|
Axle |
$59.30
|
1 |
|
usually ships 1-5 days |
22 |
170-5602
|
Washer |
$1.21
|
3 |
|
usually ships 12-15 days |
23 |
270-0814
|
Wheel |
$98.43
|
2 |
|
usually ships 12-15 days |
24 |
270-0815
|
Screw 1/2-13 x 2 |
$11.90
|
1 |
|
usually ships 1-5 days |
25 |
999-0118
|
Nut 1/2-13 nylon insert lock zinc plated |
$0.99
|
2 |
|
ships same day |
26 |
170-1421
|
Shaft key |
$5.08
|
1 |
|
usually ships 12-15 days |
27 |
999-0525
|
Nut 5/16-18 flange lock serrated zinc plated |
$0.99
|
2 |
|
ships same day |
28 |
170-4829
|
Screw set |
$2.87
|
4 |
|
usually ships 1-5 days |
29 |
372-1728
|
Pulley |
$103.07
|
1 |
|
usually ships 12-15 days |
30 |
270-0817
|
Screw 1/2-13 x 2 1/2 |
$29.05
|
1 |
|
usually ships 1-5 days |
31 |
372-1720
|
Key |
$12.89
|
1 |
|
usually ships 13-18 days |
32 |
372-1725
|
Flange bearing |
$76.65
|
2 |
|
usually ships 12-15 days |
33 |
999-0525
|
Nut 5/16-18 flange lock serrated zinc plated |
$0.99
|
4 |
|
ships same day |
34 |
170-7904
|
Shaft |
$120.63
|
1 |
|
usually ships 12-15 days |
35 |
270-0818
|
Level arm |
$64.35
|
1 |
|
usually ships 1-5 days |
36 |
270-0819
|
Screw 1/4-20 x 2 1/2 |
$1.21
|
1 |
|
usually ships 1-5 days |
37 |
999-0050
|
Nut 1/2-13 hex jam plain finish |
$0.99
|
1 |
|
ships same day |
38 |
999-0032
|
Washer 3/8 USS flat plain finish |
$2.42
|
2 |
|
ships same day |
39 |
270-0820
|
Lifting arm |
$20.17
|
1 |
|
usually ships 1-5 days |
40 |
999-0211
|
Nut 5/16-18 hex nylon insert lock zinc plated |
$0.99
|
1 |
|
ships same day |
41 |
372-1755
|
Control adjuster link |
$25.41
|
1 |
|
usually ships 12-15 days |
42 |
270-0822
|
Leveling spring |
$5.50
|
1 |
|
usually ships 1-5 days |
43 |
270-0823
|
Drum pressure spring |
$9.48
|
1 |
|
usually ships 12-15 days |
44 |
270-0824
|
Bolt 3/8 x 1/2 |
$2.90
|
1 |
|
usually ships 1-5 days |
45 |
170-7514
|
Nut 1/4-20 stop |
$1.21
|
1 |
|
usually ships 1-5 days |
46 |
372-1662
|
Stud |
$146.15
|
2 |
|
usually ships 13-18 days |
47 |
372-1661
|
Guard |
$18.56
|
1 |
|
usually ships 12-15 days |
48 |
270-0828
|
Clevis pin |
$1.69
|
1 |
|
usually ships 1-5 days |
49 |
270-0829
|
Main frame |
$1,762.92
|
1 |
|
usually ships 1-5 days |
50 |
372-1666
|
Nut |
$12.89
|
2 |
|
usually ships 13-18 days |
51 |
372-1652
|
115V motor |
$2,428.15
|
1 |
|
usually ships 12-15 days |
52 |
170-0826
|
Conduit connector |
$5.50
|
1 |
|
usually ships 1-5 days |
53 |
170-1256
|
Key |
$1.45
|
1 |
|
usually ships 1-5 days |
54 |
170-1324
|
Snap ring |
$2.66
|
1 |
|
usually ships 12-15 days |
55 |
372-1644
|
Decal |
$12.89
|
1 |
|
usually ships 13-18 days |
56 |
270-0825
|
Capacitor cover |
$173.47
|
1 |
|
usually ships 1-5 days |
57 |
154-3940
|
Motor fan |
$152.28
|
1 |
|
usually ships 12-15 days |
58 |
270-0157
|
Fan cover |
$130.70
|
1 |
|
usually ships 12-15 days |