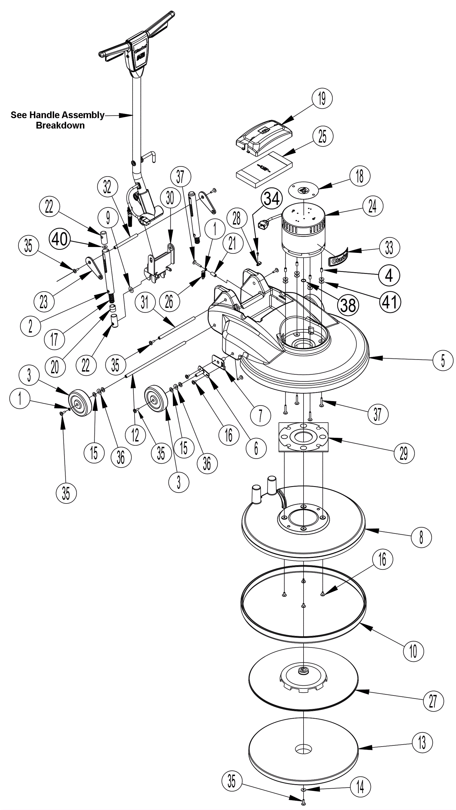
| # | Part | Description | Price | Req | Notes | Availability | 
|---|
          
            
            
                
                  
                  
                  
				       
				      1 | 999-0060 | Washer 1/4 split lock plain finish | $0.99 | 2 |  | ships same day | 2 | 270-8589 | Spring tube | $6.51 | 2 |  | usually ships 13-18 days | 3 | 172-3050 | 5 inch wheel | $31.94 | 4 |  | ships same day | 4 | 170-8961 | Spacer | $11.35 | 4 |  | usually ships 1-5 days | 5 | 170-8952 | Main frame (blue) (OBSOLETE) | $786.17 | 1 |  | usually ships 13-18 days | 6a | 472-7702 | WHEEL PLATE WLDT | $50.45 | 2 | (after SN 3000165303) | usually ships 13-18 days | 6b | 272-8212 | Front axle | $37.26 | 1 | (before SN 3000165304) (replaced by 6a and 16) | usually ships 13-18 days | 7 | 472-7703 | PIVOT PLATE WLDT | $9.70 | 2 | (after SN 3000165303) | usually ships 13-18 days | 8 | 272-8225 | 20 inch dust shroud | $96.35 | 1 |  | ships same day | 9 | 372-1990 | Washer (OBSOLETE) | Call for price | 3 |  | usually ships 13-18 days | 10 | 172-3072 | 20 inch skirt assembly | $77.69 | 1 |  | ships same day | 12 | 272-8213 | Rear axle | $13.78 | 1 |  | usually ships 13-18 days | 13 | 255-2040 | 20 inch aqua plus burnishing pad (pkg of 5) | $45.88 | 1 |  | usually ships 29-30 days | 14 | 170-1274 | Washer | $11.35 | 1 |  | usually ships 13-18 days | 15 | 170-0705 | Washer 1/2 x 3/64 | $1.21 | 8 |  | ships same day | 16 | 999-0395 | Screw 1/4-20 x 5/8 button head socket plain finish | $0.99 | 16 | (after SN 3000165303) | ships same day | 17a | 272-8740 | Compression spring | $12.89 | 2 | (US1500DC) | usually ships 13-18 days | 17b | 472-8335 | COMPRESS SPRING KIT-2000 RPM | $19.25 | 2 | (US2000DC) | usually ships 13-18 days | 18a | 170-8958 | Motor cover decal | $16.20 | 1 | (US1500DC) | usually ships 1-5 days | 18b | 170-8959 | Motor cover decal | $16.20 | 1 | (US2000DC) | usually ships 1-5 days | 19 | 272-8219 | Dust bag cover | $13.78 | 1 |  | usually ships 13-18 days | 20 | 272-8739 | Sleeve | $17.28 | 2 |  | usually ships 1-5 days | 21 | 272-8734 | Spacer | $11.35 | 2 |  | usually ships 1-5 days | 22 | 272-8743 | Spring guide | $13.78 | 4 |  | usually ships 1-5 days | 23 | 272-8741 | Linking arm | $20.82 | 2 |  | usually ships 13-18 days | 24a | 170-8957 | 120V brush motor | $1,923.82 | 1 | (US1500DC) | usually ships 1-5 days | 24b | 370-1985 | MOTOR 1.1KW 1500 RPM 230/50/60 | $1,426.96 | 1 | (US1500DC) | usually ships 13-18 days | 24c | 272-8218 | 120V brush motor | $1,923.82 | 1 | (US2000DC) | usually ships 13-18 days | 24d | 370-1986 | MOTOR 1.1KW 2000RPM 230/50/60 | $1,763.86 | 1 | (US2000DC) | usually ships 13-18 days | 25a | 172-3066 | Vacuum bag (pkg of 10) | $24.67 | 1 |  | ships same day | 25b | 991-5146 | Vacuum bag (pkg of 10) | $13.46 | 1 | (NON-OEM) | ships same day | 26 | 272-8226 | Extension spring | $11.35 | 2 |  | ships same day | 27 | 272-8211 | 20 inch pad driver | $553.52 | 1 |  | ships same day | 28 | 272-8222 | Cable clamp | $12.89 | 2 |  | usually ships 1-5 days | 29 | 272-8224 | Gasket | $12.89 | 1 |  | ships same day | 30 | 272-8745 | Release pedal | $110.97 | 1 |  | usually ships 1-5 days | 31 | 272-8738 | Pivot axle | $15.17 | 1 |  | usually ships 1-5 days | 32 | 272-8744 | Loaded spring pin | $15.17 | 1 |  | usually ships 1-5 days | 33 | 170-0497 | Clarke decal | $17.74 | 1 |  | usually ships 13-18 days | 34 | 999-0110 | Screw 10-16 x 1/2 pan head phillips self-drilling | $0.99 | 2 |  | ships same day | 35 | 272-8200 | Button head screw | $2.63 | 3 |  | ships same day | 36 | 272-8202 | Bowed washer | $1.94 | 4 |  | usually ships 12-15 days | 37 | 999-1247 | Screw 1/4-20 x 1 3/4 button head socket cap zinc plated | $0.99 | 6 |  | ships same day | 38 | 272-8494 | External retaining ring | $12.89 | 1 |  | usually ships 1-5 days | 40 | 170-1274 | Washer | $11.35 | 4 | (US2000DC) | usually ships 13-18 days | 41 | 170-1274 | Washer | $11.35 | 8 |  | usually ships 13-18 days | N/S | 272-7439 | 60amp rectifier | $56.65 | 1 | (120V) | usually ships 13-18 days | N/S | 370-2031 | RECTIFIER 230V/115V DCR PV 4 | $120.29 | 1 | (240V) | usually ships 13-18 days | N/S | 170-0321 | Front end bearing | $12.71 | 1 | (upper) | usually ships 12-15 days | N/S | 372-1890 | Bearing (rear) | $46.67 | 1 | (lower) | usually ships 13-18 days | N/S | 170-0379 | Wave washer | $11.35 | 1 |  | usually ships 13-18 days | N/S | 372-1221 | Carbon brush assembly kit | $53.61 | 1 | (120V) | ships same day | N/S | 370-1924 | BRUSH BOARD ASM. 230V | $256.89 | 1 | (240V) | usually ships 13-18 days | N/S | 370-2426 | VARISTOR 230V PV BURN | $38.50 | 1 | (240V) | usually ships 13-18 days | N/S | 170-1509 | Lead (yellow) | $27.26 | 1 | (240V) | usually ships 13-18 days | N/S | 170-1508 | Lead (red) | $12.89 | 1 | (240V) | usually ships 13-18 days | N/S | 372-1221 | Carbon brush assembly kit | $53.61 | 1 | (240V) | ships same day | N/S | 270-0800 | Wheel adjustment kit | $256.89 | 1 | (models with SN before 3000165304 need to order this part to convert to new style) | usually ships 1-5 days |