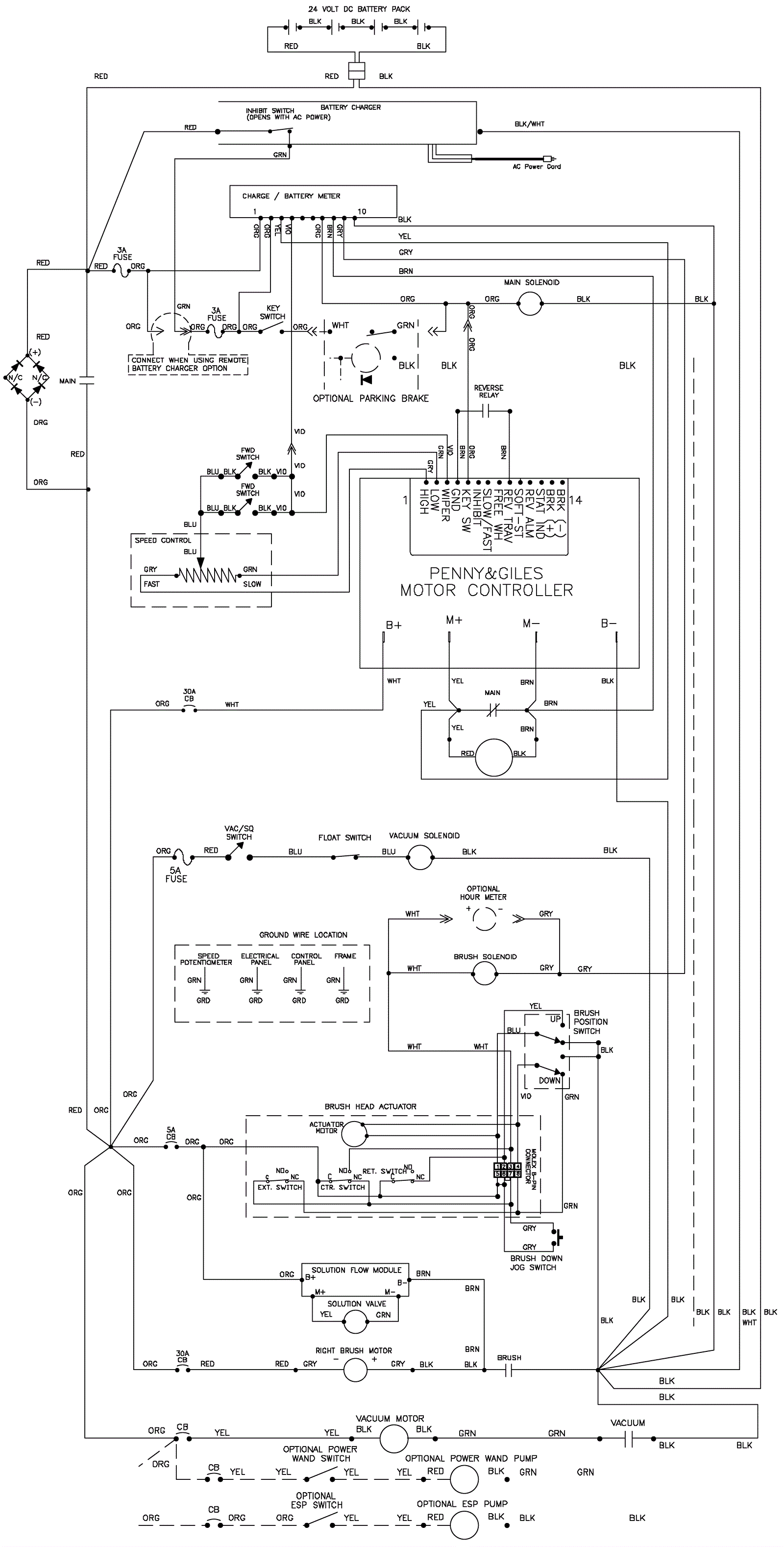
Wiring Diagram - Manual Squeegee Lift
Click to enlarge