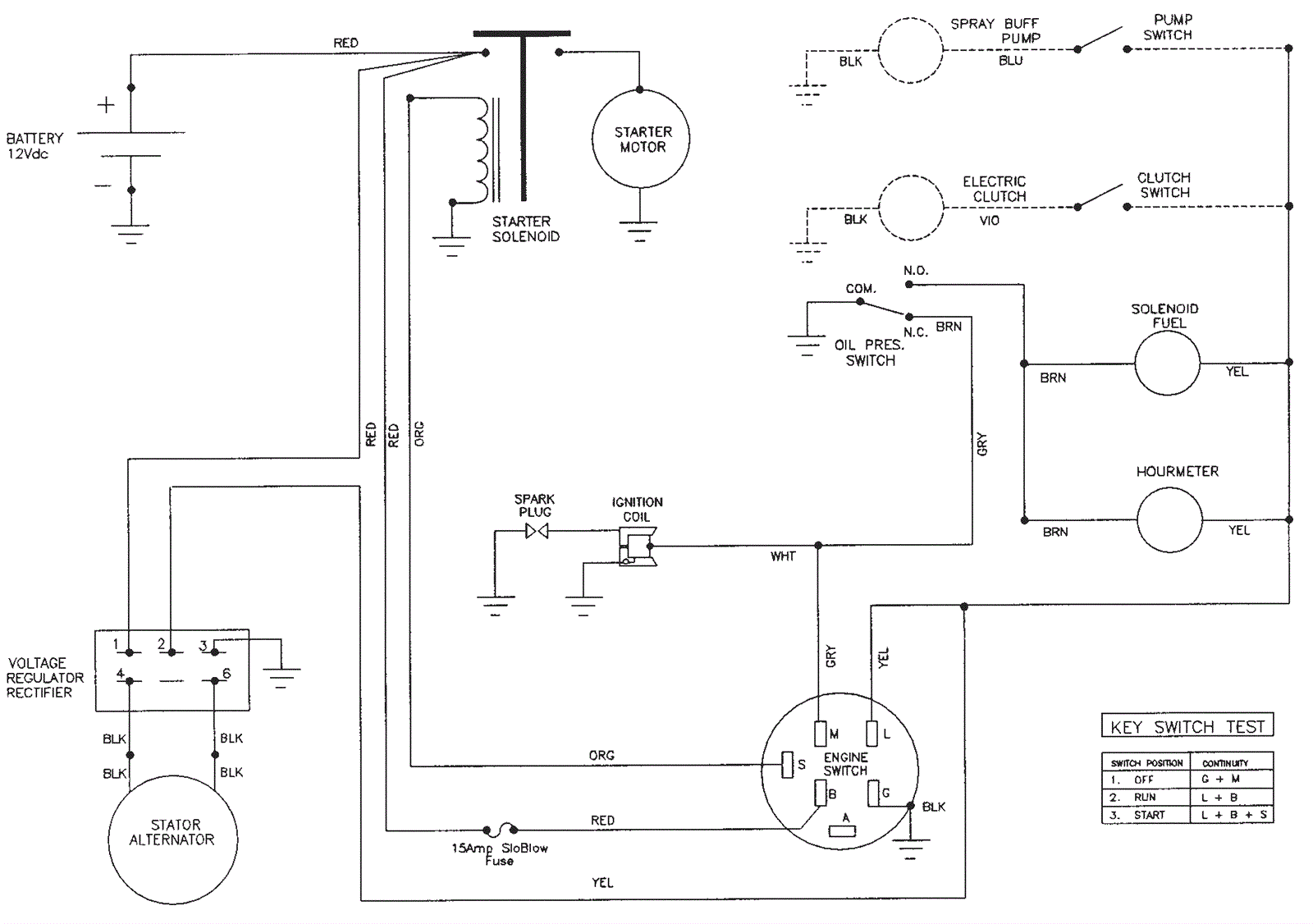
Wiring Diagram - Kawasaki 14
Click to enlarge