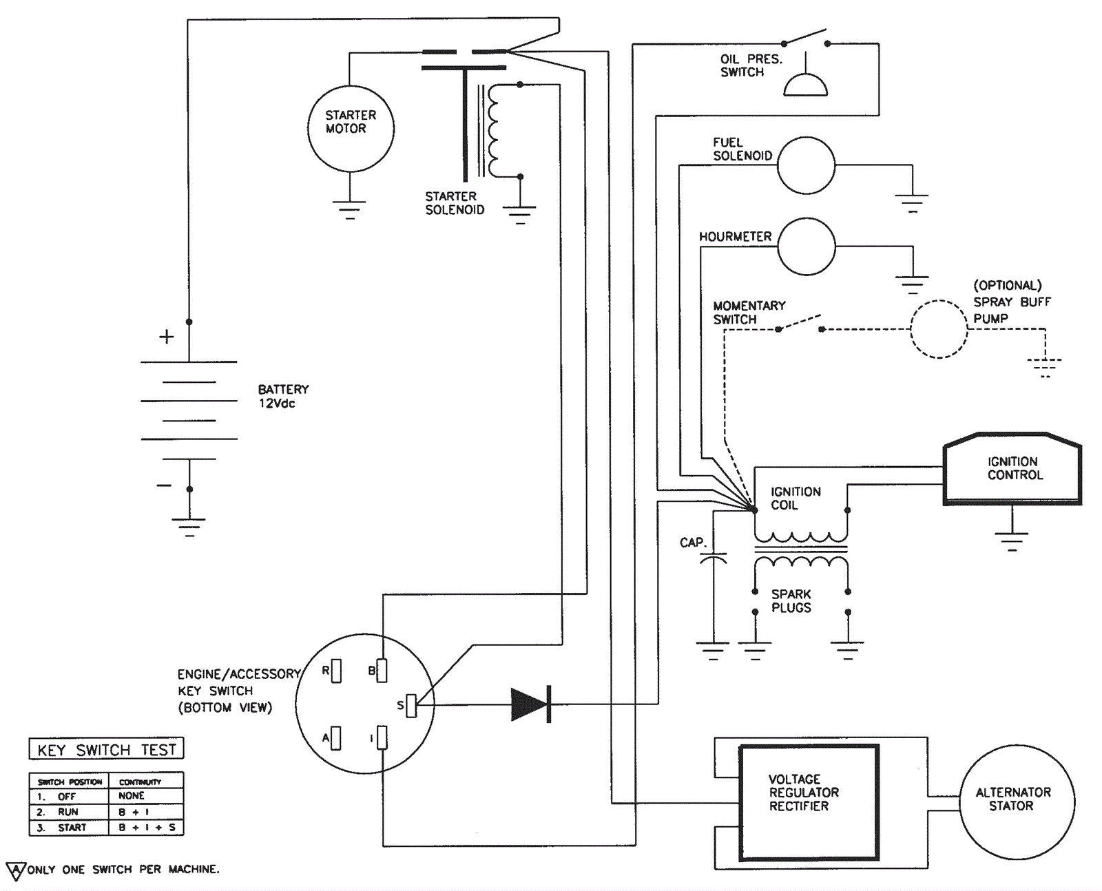
Wiring Diagram - Onan P248
Click to enlarge