| # | Part | Description | Price | Req | Notes | Availability |
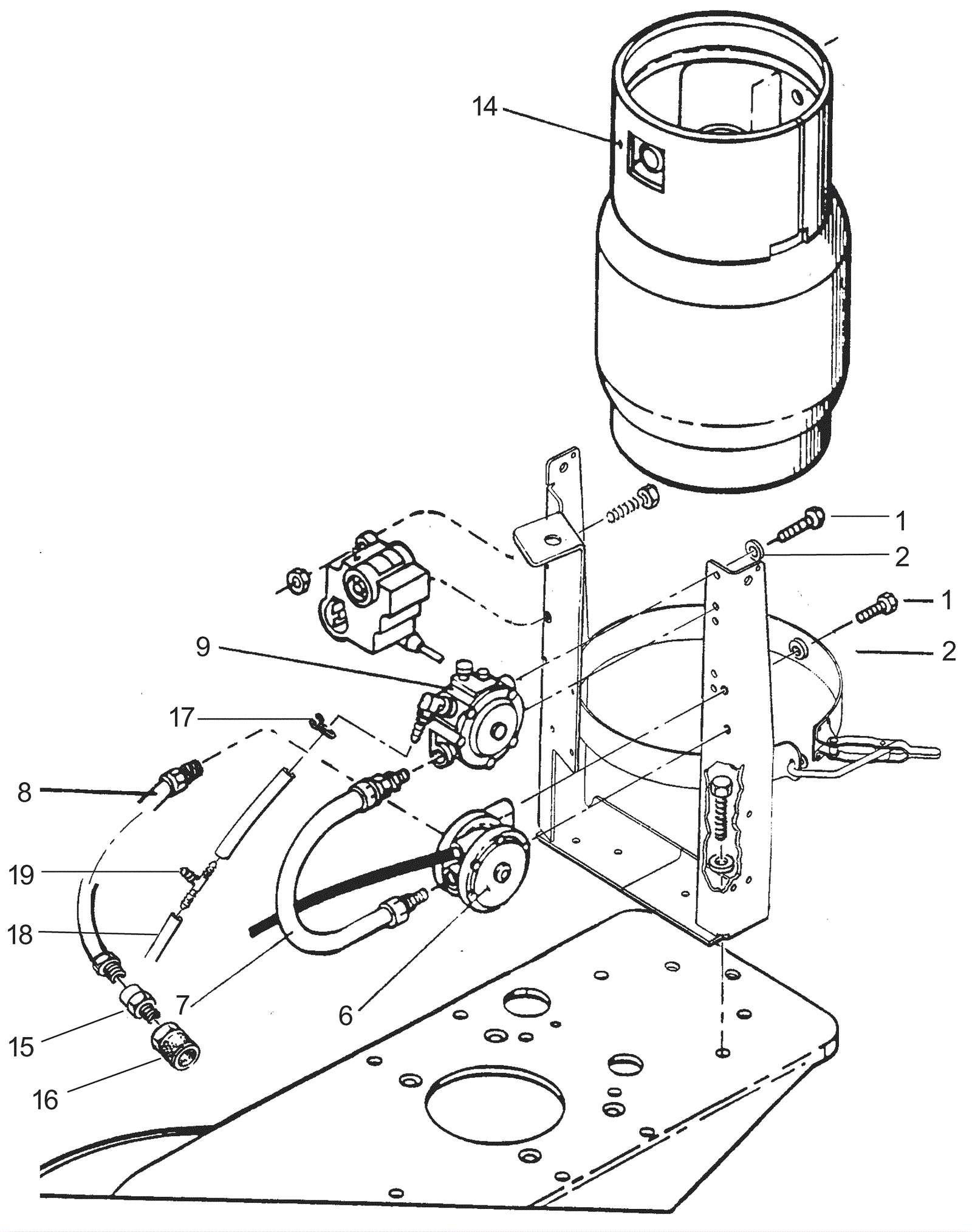
1 |
999-0323
|
Screw 1/4-20 x 1/2 pan head slotted zinc plated |
$0.99
|
4 |
|
ships same day |
2 |
999-0060
|
Washer 1/4 split lock plain finish |
$0.99
|
4 |
|
ships same day |
6 |
991-6003
|
Vacuum fuel lock-off |
$327.91
|
1 |
|
usually ships 10-11 days |
7 |
170-3077
|
Hose assembly |
$43.45
|
1 |
|
usually ships 13-18 days |
8 |
170-3180
|
3/8 inch propane hose |
$45.00
|
1 |
|
usually ships 13-18 days |
9 |
991-6001
|
Fuel regulator (T60) |
$419.02
|
1 |
|
ships same day |
14a |
161-0003
|
Aluminum propane tank |
$815.95
|
1 |
|
usually ships 1-5 days |
14b |
161-0004
|
Steel propane tank |
$446.58
|
1 |
|
usually ships 18-24 days |
15 |
170-3181
|
Check valve |
$37.27
|
1 |
|
usually ships 13-18 days |
16 |
991-6004
|
Female quick coupler |
$24.89
|
1 |
|
usually ships 39-40 days |
17 |
997-2002
|
Hose clamp #6 |
$2.15
|
3 |
|
ships same day |
18 |
991-1403
|
Vacuum hose (sold by the foot) |
$1.07
|
1 |
|
usually ships 10-12 days |
19 |
170-3189
|
Vacuum line tee |
$10.01
|
1 |
|
usually ships 13-18 days |