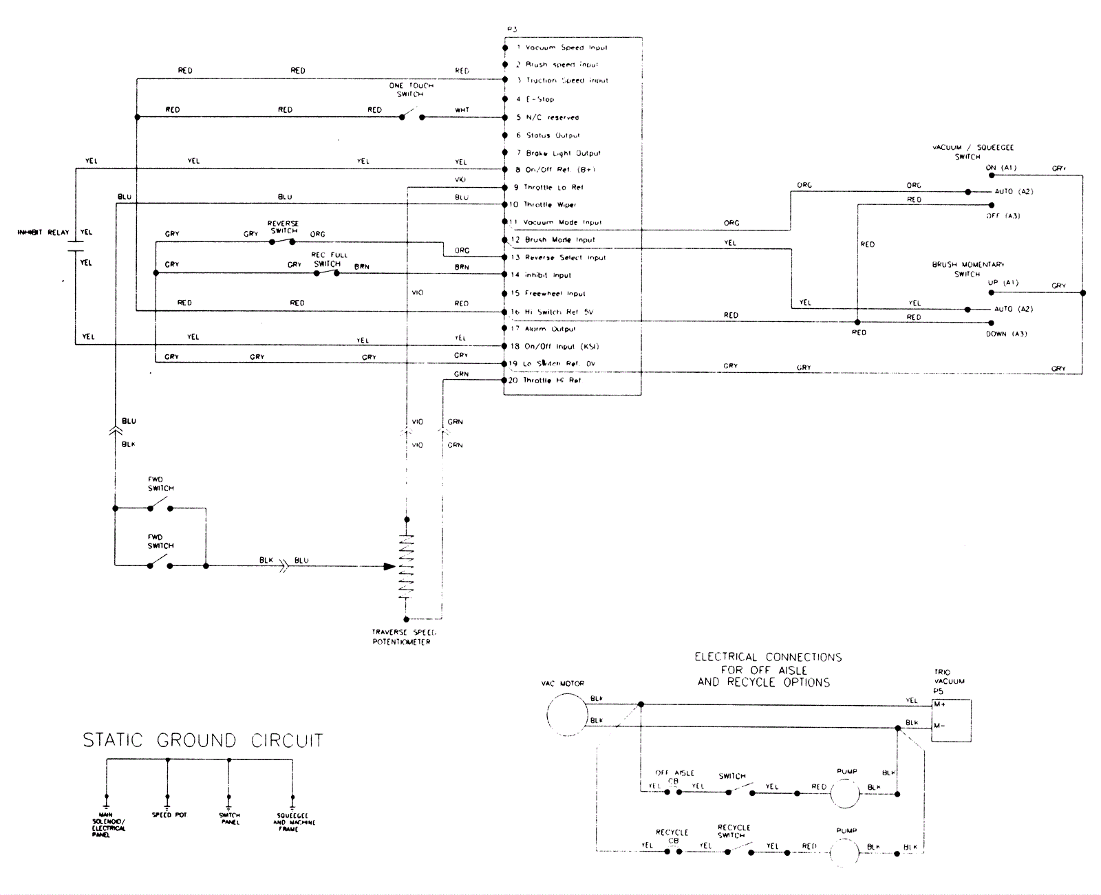
Electrical Schematic - 1