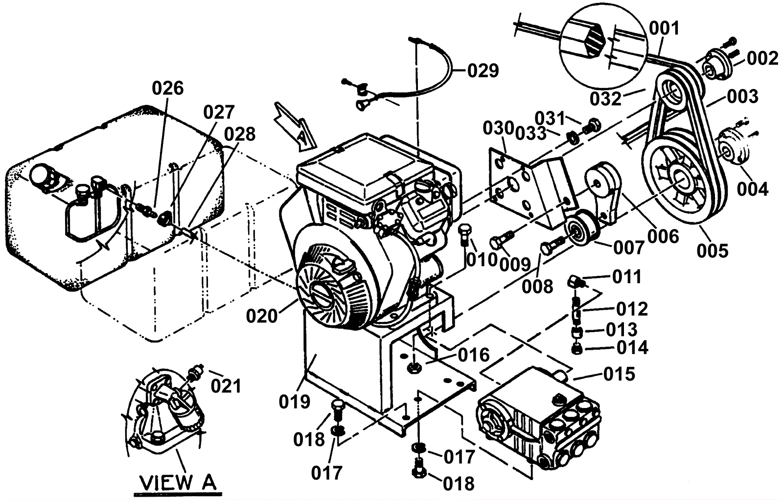
Engine Assembly 1
Click to enlarge