| # | Part | Description | Price | Req | Notes | Availability |
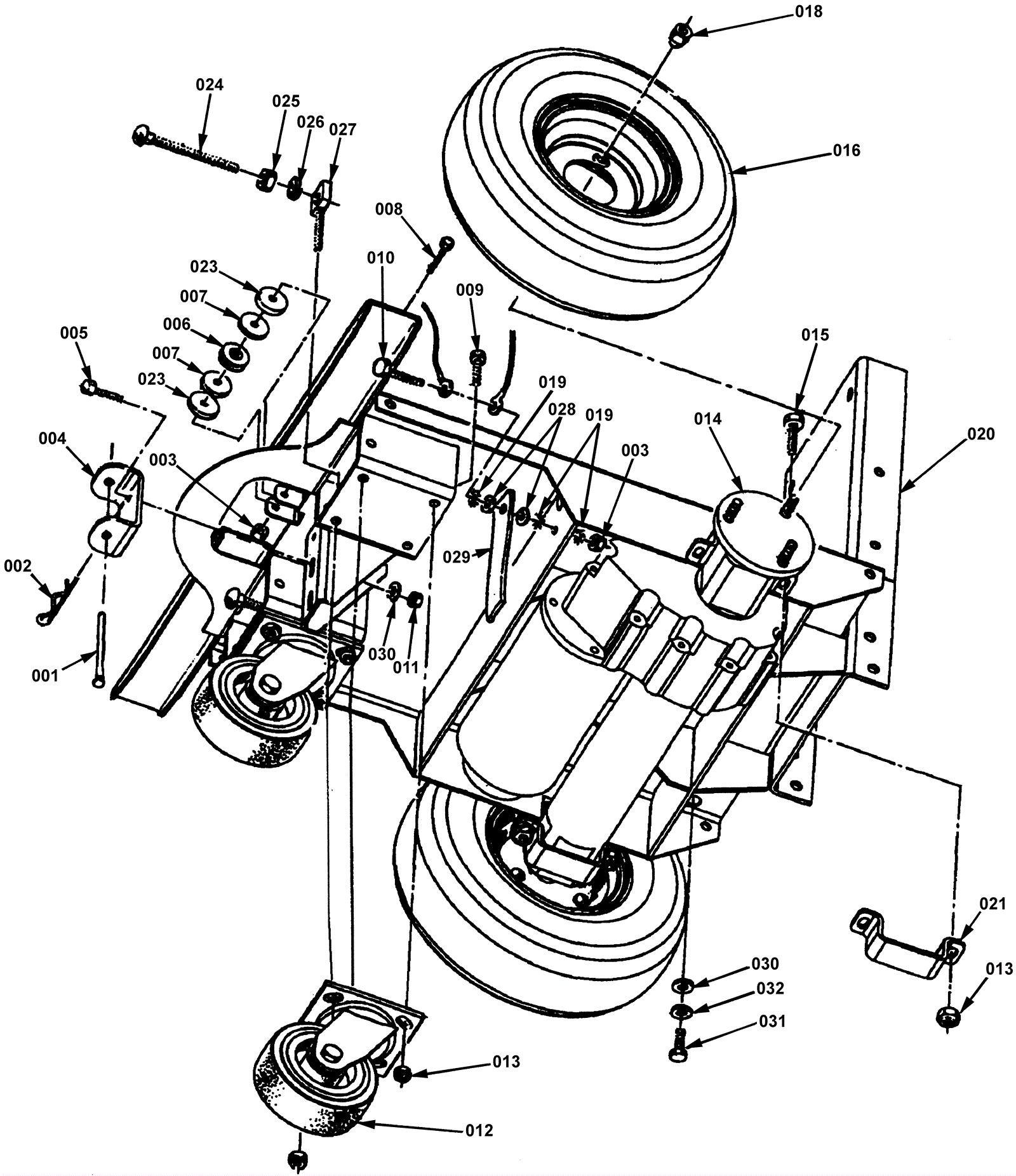
001 |
170-0145
|
Clevis pin |
$11.99
|
1 |
|
usually ships 13-18 days |
002 |
170-0135
|
Cotter pin (OBSOLETE) |
$11.99
|
1 |
|
usually ships 13-18 days |
003 |
999-0294
|
Nut 1/4-20 hex nylon lock type NE stainless steel |
$1.18
|
2 |
|
ships same day |
004 |
170-7137
|
Swing bracket (OBSOLETE) |
$86.87
|
1 |
|
usually ships 13-18 days |
005 |
999-0132
|
Bolt 5/16-18 x 3/4 hex head grade 5 zinc plated |
$2.64
|
2 |
|
ships same day |
006 |
372-2615
|
Squeegee pulley cable |
$79.22
|
1 |
|
usually ships 13-18 days |
007 |
170-7109
|
Washer 1 1/4 nylon |
$10.78
|
2 |
|
usually ships 13-18 days |
008 |
999-0506
|
Bolt 1/4-20 x 1 1/2 hex head stainless steel |
$1.28
|
1 |
|
ships same day |
009 |
999-0038
|
Bolt 3/8-16 x 1 hex head grade 5 zinc plated |
$1.87
|
6 |
|
ships same day |
010 |
999-0197
|
Screw 1/4-20 x 1 socket head alloy plain finish |
$0.99
|
1 |
|
ships same day |
011 |
999-0211
|
Nut 5/16-18 hex nylon insert lock zinc plated |
$0.99
|
2 |
|
ships same day |
012 |
991-2011
|
Caster wheel assembly |
$103.56
|
2 |
|
usually ships 14-20 days |
013 |
999-0188
|
Nut 3/8-16 nylon insert lock zinc plated |
$0.99
|
12 |
|
ships same day |
014 |
270-0024
|
Transaxle |
$3,204.93
|
1 |
|
usually ships 1-5 days |
015 |
999-0649
|
Bolt 3/8-16 x 1 1/4 hex head stainless steel |
$1.21
|
4 |
|
ships same day |
016a |
170-7139
|
Wheel assembly with wheel and inner tube |
$360.98
|
2 |
|
usually ships 13-18 days |
016b |
170-7140
|
Foam filled wheel |
$447.72
|
2 |
|
usually ships 1-5 days |
018 |
170-7142
|
Nut 1/2-20 lug (OBSOLETE) |
$10.85
|
6 |
|
usually ships 13-18 days |
019 |
999-0017
|
Washer 1/4 external star lock |
$0.99
|
3 |
|
ships same day |
020 |
170-7424
|
Main frame |
$1,210.00
|
1 |
|
usually ships 1-5 days |
021 |
170-1657
|
Transaxle mount |
$18.41
|
2 |
|
usually ships 1-5 days |
023 |
170-7132
|
Washer 1 1/4 |
$1.21
|
2 |
|
usually ships 12-15 days |
024 |
999-0887
|
Bolt 3/8-16 x 3 hex head hot dipped galvanized |
$2.82
|
2 |
|
ships same day |
025 |
999-0635
|
Nut 3/8-16 hex stainless steel |
$0.99
|
2 |
|
ships same day |
026 |
999-0659
|
Washer 3/8 medium split lock stainless steel |
$0.39
|
2 |
|
ships same day |
027 |
170-7145
|
Stud 3/8 male x 3/8 female |
$18.62
|
2 |
|
usually ships 1-5 days |
028 |
999-0160
|
Washer 1/4 x 1 1/4 fender zinc plated |
$0.99
|
2 |
|
ships same day |
029 |
170-7146
|
Static strap |
$14.41
|
1 |
|
usually ships 13-18 days |
030 |
999-0032
|
Washer 3/8 USS flat plain finish |
$2.42
|
6 |
|
ships same day |
031 |
999-0119
|
Bolt 3/8-16 x 3/4 hex head grade 5 zinc plated |
$1.01
|
4 |
|
ships same day |
032 |
999-0659
|
Washer 3/8 medium split lock stainless steel |
$0.39
|
4 |
|
ships same day |