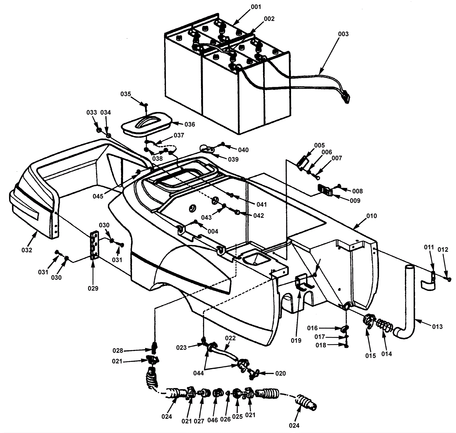
| # | Part | Description | Price | Req | Notes | Availability |
001 |
NOTE
|
Please See Batteries, Brushes, Pad Holders and Charger Pages |
Call for price
|
4 |
|
usually ships 3-26 days |
002a |
998-0010
|
Battery jumper cable - ring type (red) |
$6.06
|
3 |
|
ships same day |
002b |
991-6025
|
Wire 4 x14.5, 3/8 ring x 3/8 ring |
$16.98
|
3 |
(NON-OEM) |
usually ships 18-24 days |
003 |
270-0016
|
Battery cable assembly (OBSOLETE) |
$81.68
|
1 |
|
usually ships 13-18 days |
004 |
999-0664
|
Screw 10-32 x 1/2 pan head phillips thread cutting |
$0.99
|
2 |
|
ships same day |
005 |
170-7372
|
Tank support bracket (OBSOLETE) |
$55.65
|
1 |
|
usually ships 13-18 days |
006 |
999-0060
|
Washer 1/4 split lock plain finish |
$0.99
|
2 |
|
ships same day |
007 |
999-0334
|
Bolt 1/4-20 x 3/4 inch hex head stainless steel |
$3.85
|
2 |
|
usually ships 16-20 days |
008 |
999-0462
|
Screw 8-32 x 1/2 pan head slotted zinc plated |
$0.99
|
2 |
|
ships same day |
009 |
209-2377
|
Latch and strike |
$45.00
|
1 |
|
usually ships 13-18 days |
010 |
170-7373
|
Solution tank |
$2,035.00
|
1 |
|
usually ships 1-5 days |
011 |
170-7374
|
Drain hose bracket (OBSOLETE) |
$27.50
|
1 |
|
usually ships 13-18 days |
012 |
999-0849
|
Screw 10-24 x 1/2 round head slotted nylon |
$0.99
|
4 |
|
ships same day |
013 |
170-7375
|
Solution drain hose |
$53.61
|
1 |
|
usually ships 13-18 days |
014 |
170-7376
|
Drain hose spring (OBSOLETE) |
$40.45
|
1 |
|
usually ships 13-18 days |
015 |
997-2007
|
Hose clamp |
$2.07
|
1 |
|
ships same day |
016 |
170-7071
|
Metal clamp |
$10.52
|
1 |
|
usually ships 1-5 days |
017 |
999-0060
|
Washer 1/4 split lock plain finish |
$0.99
|
1 |
|
ships same day |
018 |
999-0019
|
Bolt 1/4-20 x 5/8 hex head grade 5 zinc plated |
$0.99
|
1 |
|
ships same day |
019 |
170-7377
|
Hose hanger |
$36.71
|
1 |
|
usually ships 1-5 days |
020 |
170-7101
|
Battery drain valve |
$14.41
|
1 |
|
usually ships 13-18 days |
021 |
997-2002
|
Hose clamp #6 |
$2.15
|
4 |
|
ships same day |
022 |
170-7018
|
Hose |
$11.35
|
1 |
|
usually ships 13-18 days |
023 |
170-0261
|
Elbow |
$20.23
|
1 |
|
usually ships 13-18 days |
024 |
170-7102
|
Solution hose |
$34.23
|
2 |
|
usually ships 13-18 days |
025 |
170-7103
|
Connector |
$24.09
|
1 |
|
usually ships 13-18 days |
026 |
164-0065
|
Filter screen |
$3.20
|
1 |
|
ships same day |
027 |
170-0264
|
Hose barb |
$11.35
|
1 |
|
usually ships 13-18 days |
028 |
170-7095
|
Solution tank adapter (OBSOLETE) |
$11.99
|
1 |
|
usually ships 13-18 days |
029 |
170-7378
|
Cover hinge |
$30.40
|
1 |
|
usually ships 1-5 days |
030 |
999-0017
|
Washer 1/4 external star lock |
$0.99
|
6 |
|
ships same day |
031 |
999-0522
|
Screw 1/4-20 x 1/2 pan head phillips stainless steel |
$1.03
|
6 |
|
ships same day |
032 |
170-7379
|
Front cover |
$396.00
|
1 |
|
usually ships 1-5 days |
033 |
999-0188
|
Nut 3/8-16 nylon insert lock zinc plated |
$0.99
|
2 |
|
ships same day |
034 |
999-1254
|
Washer 3/8 SAE flat zinc plated |
$0.99
|
2 |
|
ships same day |
035 |
999-0267
|
Screw 10-24 x 1/2 pan head phillips zinc |
$0.99
|
1 |
|
ships same day |
036 |
170-7380
|
Solution tank lid (OBSOLETE) |
$22.24
|
1 |
|
usually ships 13-18 days |
037 |
170-7089
|
Strap (OBSOLETE) |
$10.56
|
1 |
|
usually ships 13-18 days |
038 |
999-0211
|
Nut 5/16-18 hex nylon insert lock zinc plated |
$0.99
|
2 |
|
ships same day |
039 |
209-2377
|
Latch and strike |
$45.00
|
1 |
|
usually ships 13-18 days |
040a |
170-1901
|
Rivet 5/32 x 9/16 |
$11.35
|
2 |
|
usually ships 1-5 days |
040b |
999-0697
|
Screw 8-32 x 3/4 pan head phillips stainless steel |
$0.99
|
2 |
|
ships same day |
041 |
999-0314
|
Screw 10-24 x 3/4 round head phillips zinc plated |
$0.99
|
1 |
|
ships same day |
042 |
999-0550
|
Bolt 3/8-16 x 2 hex head stainless steel |
$2.95
|
2 |
|
ships same day |
043 |
999-0716
|
Washer 3/8 x 1 1/4 fender |
$0.99
|
2 |
|
ships same day |
044 |
997-2001
|
Hose clamp |
$2.42
|
2 |
|
ships same day |
045 |
999-0357
|
Nut 8-32 nylon insert lock stainless steel |
$0.99
|
2 |
|
ships same day |
046 |
170-9017
|
Manual solution valve |
$14.41
|
1 |
|
usually ships 1-5 days |