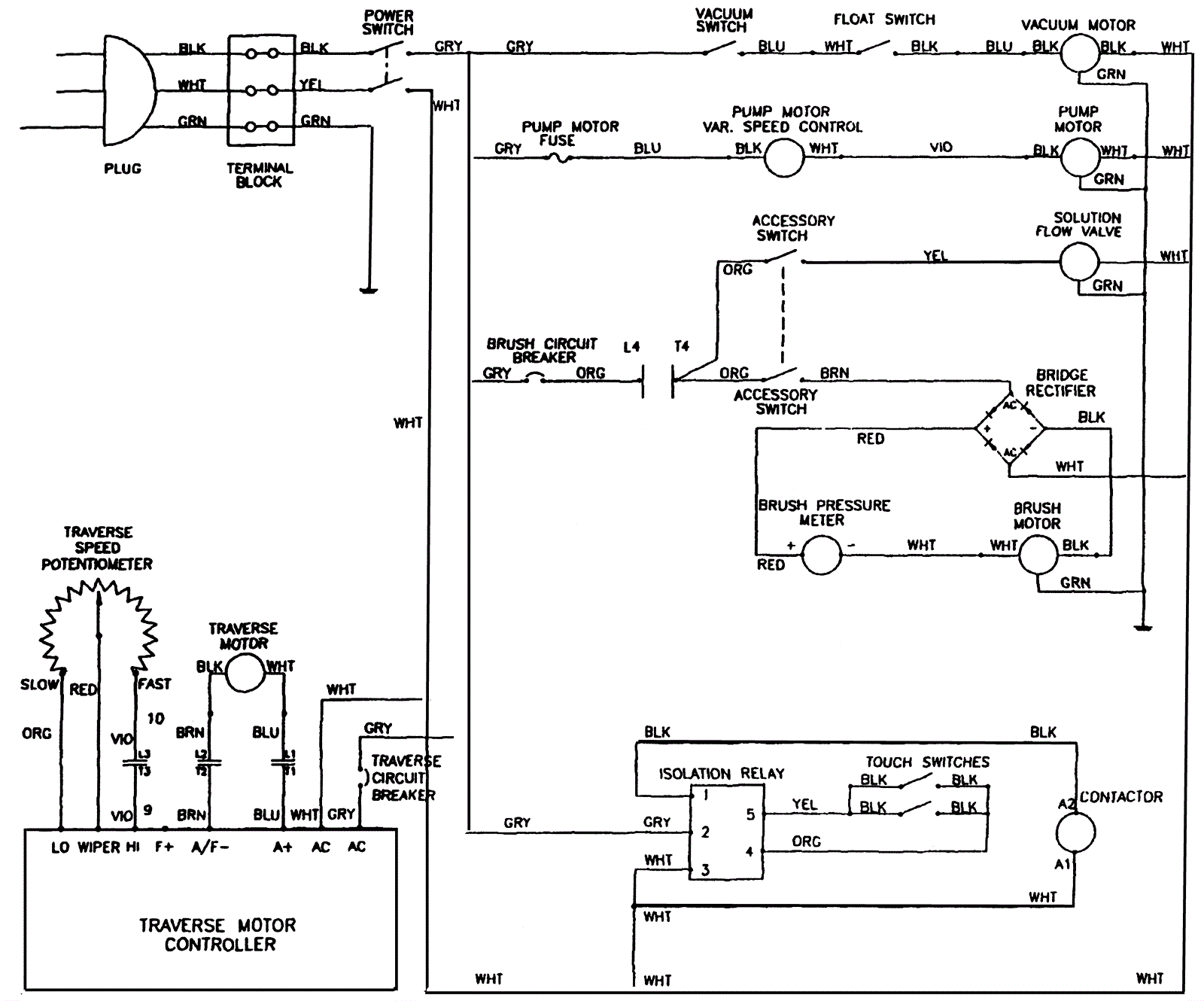
Electrical Schematic
Click to enlarge