| # | Part | Description | Price | Req | Notes | Availability |
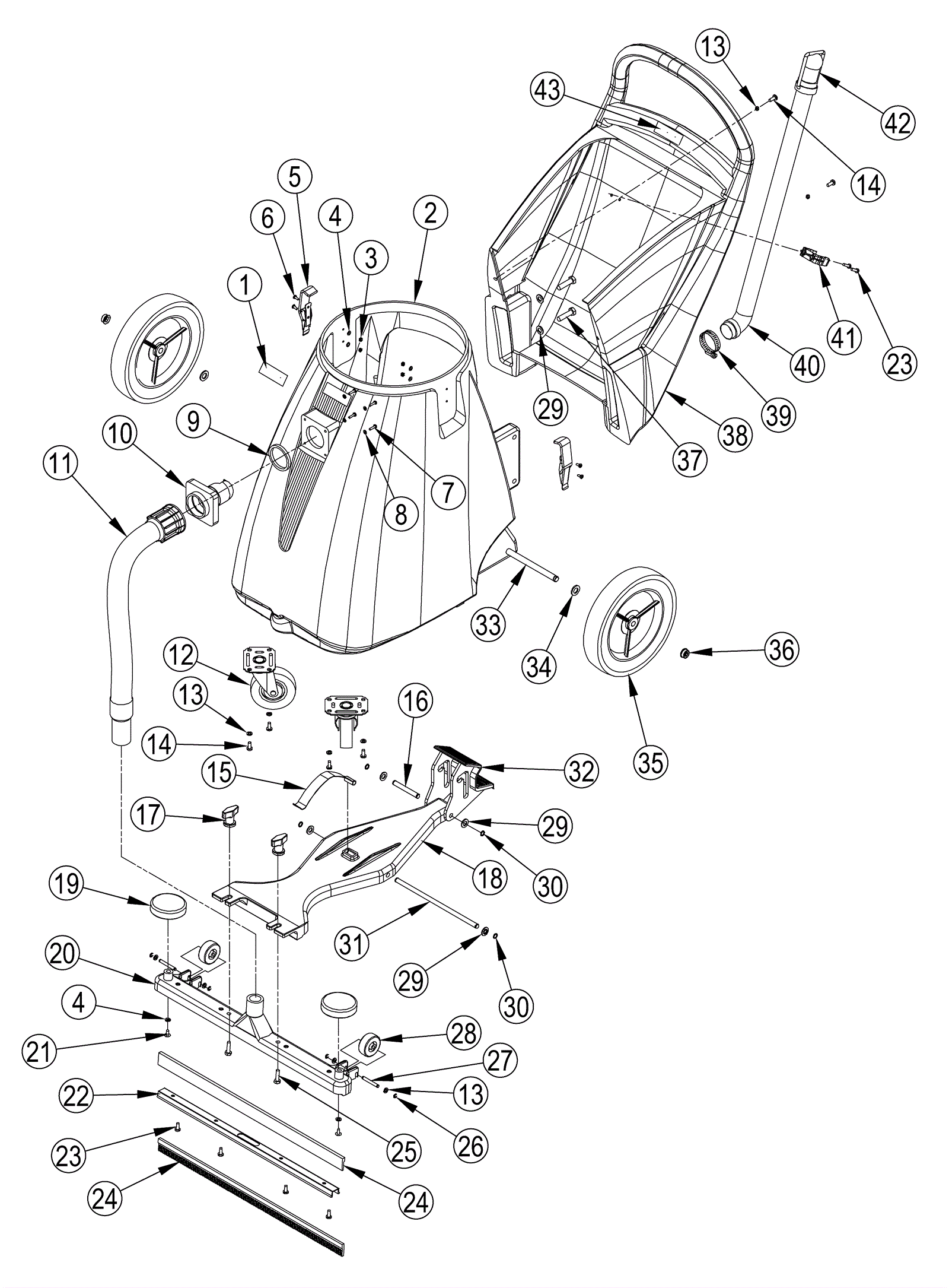
1 |
240-5350
|
LABEL SUMMIT PRO |
$11.32
|
1 |
|
usually ships 13-18 days |
2 |
240-5327
|
TANK |
$483.80
|
1 |
|
usually ships 13-18 days |
3 |
240-0522
|
Nut M5 lock |
$8.53
|
4 |
|
ships same day |
4 |
240-0068
|
Plain washer |
$11.32
|
6 |
|
usually ships 13-18 days |
5 |
240-0282
|
Metal latch |
$16.93
|
2 |
|
ships same day |
6 |
240-0545
|
Screw M5 x 20mm |
$11.32
|
4 |
|
usually ships 13-18 days |
7 |
240-0594
|
Screw M4 x 20mm self-tapping |
$11.32
|
4 |
|
usually ships 1-5 days |
8 |
999-9089
|
Washer M4 flat stainless steel |
$0.99
|
4 |
|
ships same day |
9 |
240-0596
|
Gasket |
$11.32
|
1 |
|
usually ships 13-18 days |
10 |
240-0597
|
Intake |
$11.32
|
1 |
|
ships same day |
11 |
240-0011
|
Hose |
$37.94
|
1 |
|
ships same day |
12 |
240-0301
|
3 inch caster wheel |
$31.69
|
2 |
|
ships same day |
13 |
240-0037
|
Washer |
$11.32
|
10 |
|
ships same day |
14 |
999-1383
|
Screw M6-1 x 16mm hex head stainless steel |
$3.96
|
6 |
|
ships same day |
15 |
240-0598
|
Leaf spring |
$11.32
|
1 |
|
ships same day |
16 |
240-0599
|
Axle |
$11.32
|
1 |
|
usually ships 13-18 days |
17 |
240-0536
|
Knob |
$11.32
|
2 |
|
ships same day |
18 |
240-0281
|
Pick-up tool mounting plate |
$58.11
|
1 |
|
ships same day |
19 |
240-0537
|
Bumper wheel |
$11.32
|
2 |
|
ships same day |
20a |
240-0600
|
24 inch pick-up tool |
$64.03
|
1 |
|
ships same day |
20b |
240-0601
|
30 inch pick-up tool |
$85.88
|
1 |
|
ships same day |
21 |
240-0602
|
Screw M5 x 10mm self-tapping |
$11.32
|
2 |
|
usually ships 13-18 days |
22a |
240-0603
|
24 inch blade clamp |
$11.32
|
1 |
|
ships same day |
22b |
240-0604
|
30 inch blade clamp |
$13.13
|
1 |
|
usually ships 13-18 days |
23 |
999-1986
|
Screw M5-.8 x 14mm pan head phillips |
$0.99
|
6 |
|
ships same day |
24a |
240-0540
|
Squeegee blade 24 inch |
$39.57
|
2 |
|
ships same day |
24b |
240-0012
|
Squeegee blade 30 inch (blue) |
$54.66
|
2 |
|
ships same day |
25 |
240-0330
|
Screw M8 x 25mm |
$11.32
|
2 |
|
usually ships 13-18 days |
26 |
240-0605
|
Lock snap ring |
$11.32
|
2 |
|
ships same day |
27 |
240-0606
|
Wheel axle |
$13.13
|
4 |
|
ships same day |
28 |
240-0607
|
2 inch guide wheel |
$13.13
|
2 |
|
ships same day |
29 |
240-0608
|
Washer |
$11.32
|
2 |
|
usually ships 13-18 days |
30 |
240-0609
|
Lock snap ring |
$11.32
|
8 |
|
usually ships 13-18 days |
31 |
240-0610
|
Mounting plate axle |
$14.95
|
4 |
|
ships same day |
32 |
240-0611
|
Pedal |
$24.31
|
1 |
|
usually ships 13-18 days |
33 |
240-0612
|
Pedal axle |
$18.72
|
1 |
|
usually ships 13-18 days |
34 |
240-0613
|
Washer |
$11.32
|
2 |
|
ships same day |
35 |
240-0302
|
10 inch wheel |
$42.87
|
2 |
|
usually ships 13-18 days |
36 |
240-0614
|
Axle cap |
$11.32
|
2 |
|
ships same day |
37 |
240-0739
|
Screw M10 x 30mm |
$11.32
|
6 |
|
usually ships 13-18 days |
38 |
240-0547
|
Handle |
$557.81
|
1 |
|
usually ships 13-18 days |
39 |
240-0189
|
Hose clamp |
$11.32
|
1 |
|
ships same day |
40 |
240-0188
|
Drain hose |
$20.34
|
1 |
|
ships same day |
41 |
240-0616
|
Drain hose clamp |
$11.50
|
1 |
|
ships same day |
42 |
240-0551
|
Drain hose plug |
$11.32
|
1 |
|
ships same day |
43 |
240-5352
|
CLARKE LABEL |
$11.32
|
1 |
|
usually ships 13-18 days |