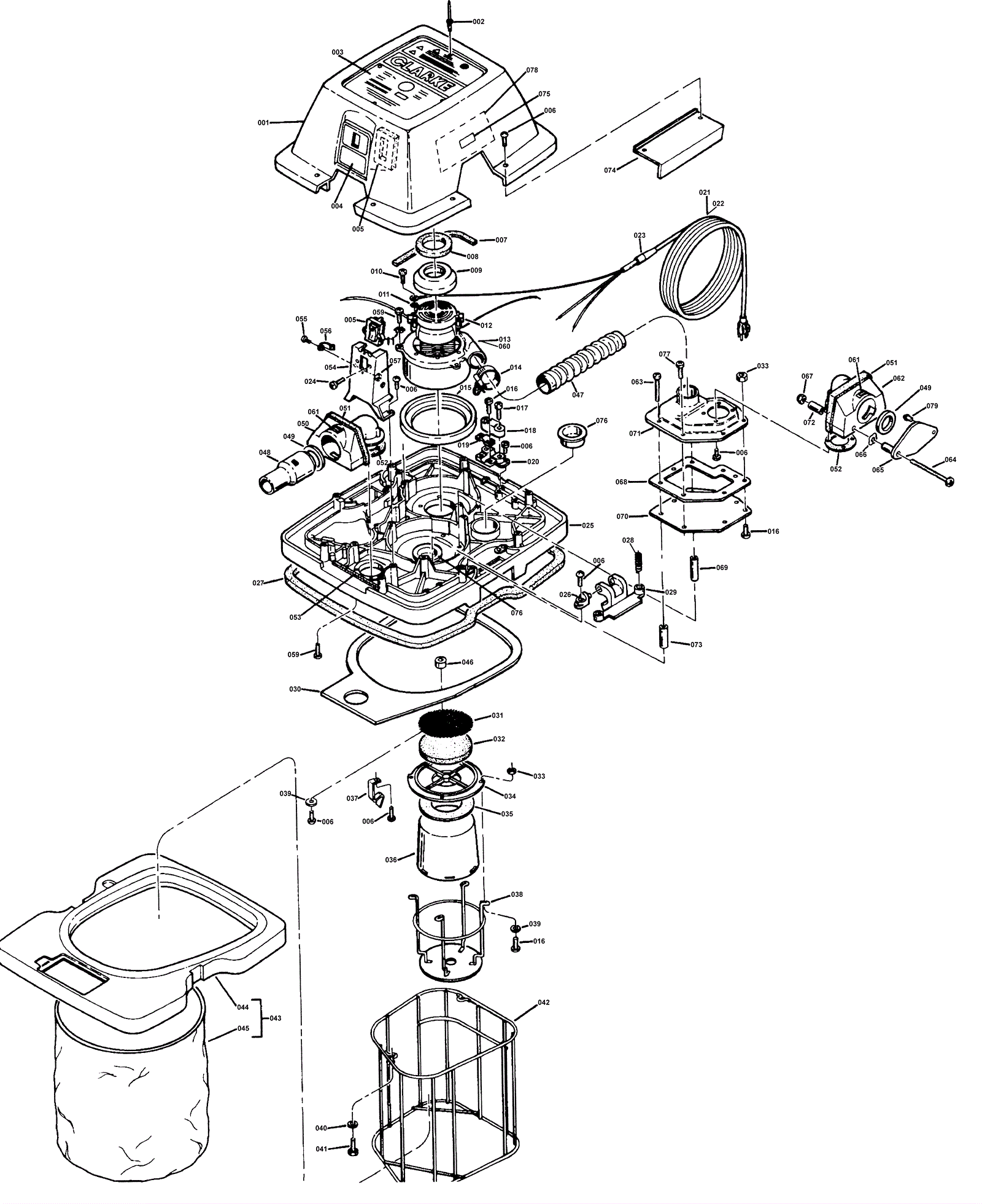
Single Motor Head Assembly
Click to enlarge