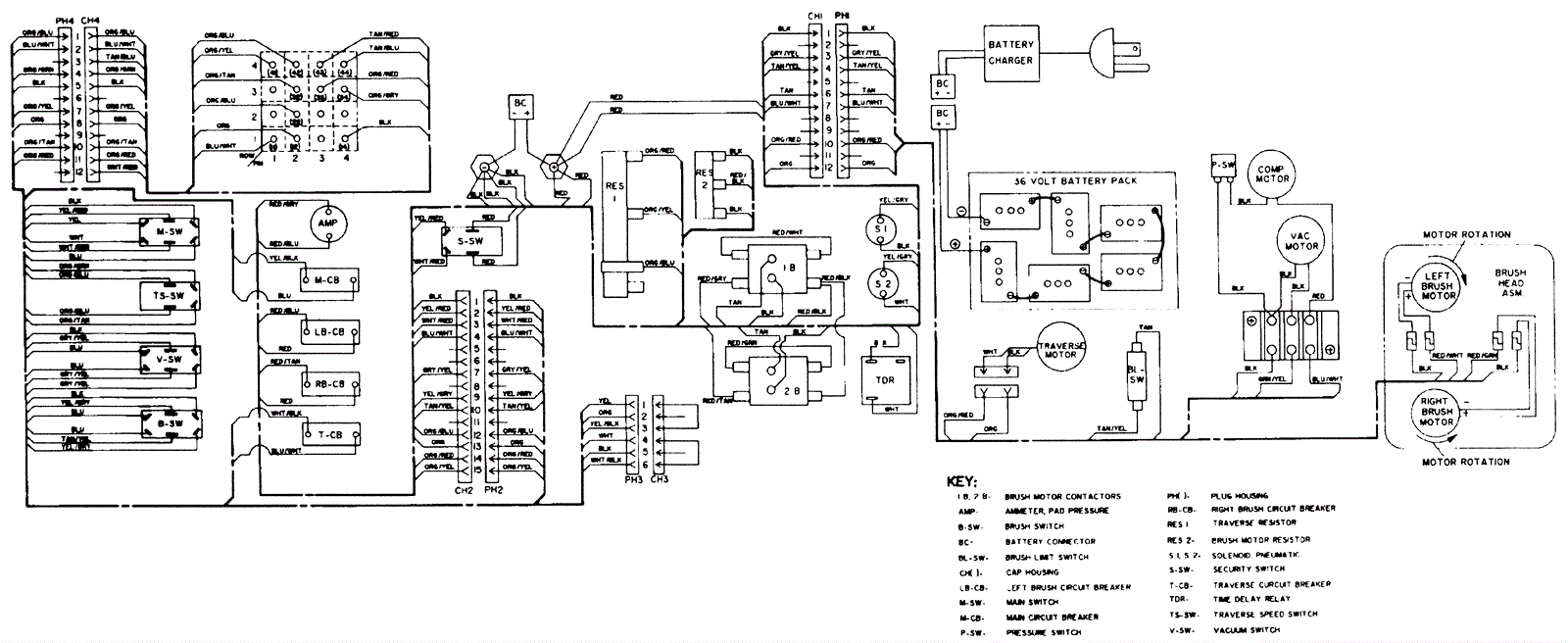
Wiring Connection Diagram
Click to enlarge