BURNISHER2000
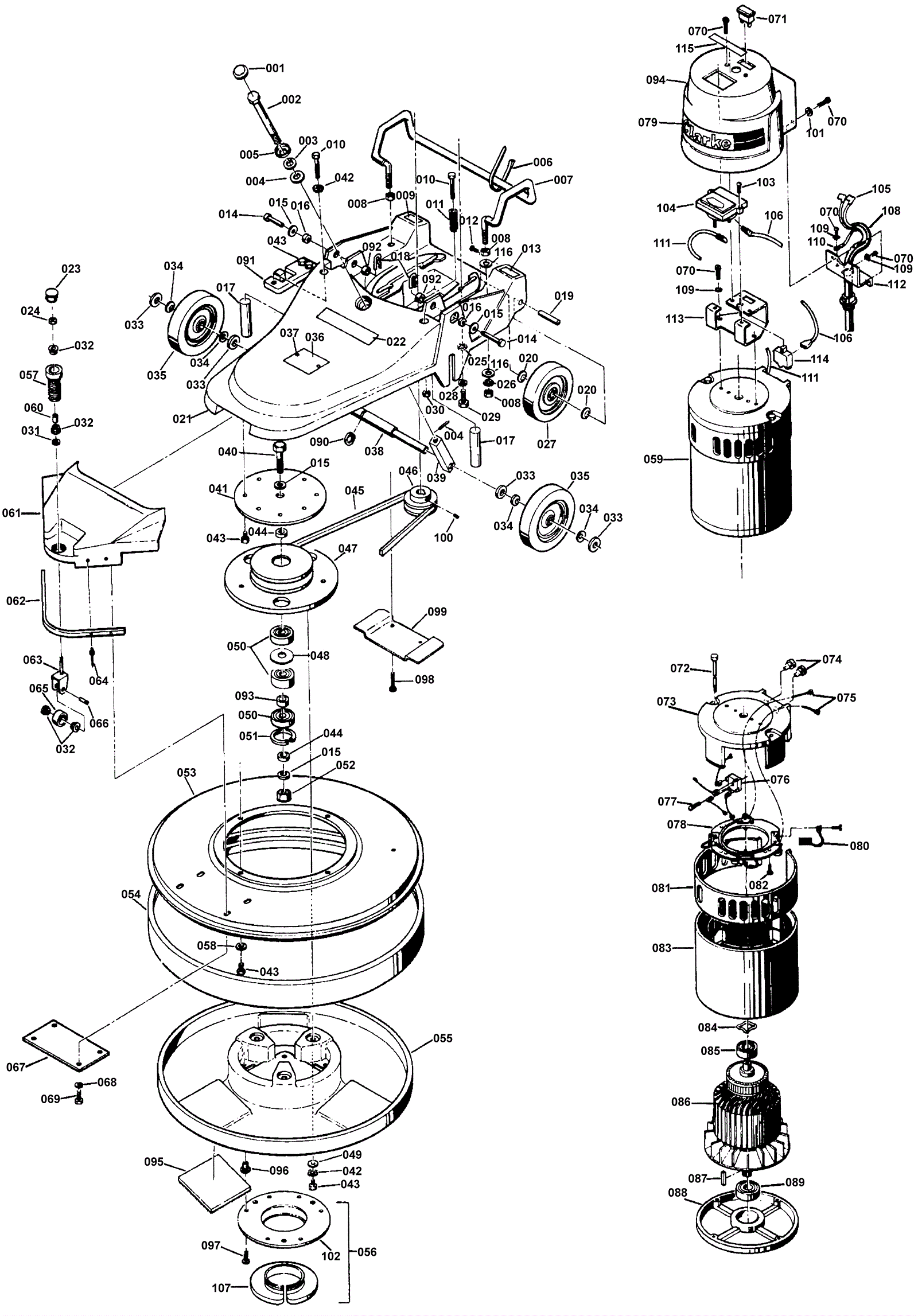
Frame Assembly (Serial Number MB1734 and Below)
Click to enlarge
#
Part
Description
Price
Req
Notes
Availability
107
991-2209
Split retainer - pad holder ring (OBSOLETE)
$29.10
1
usually ships 18-24 days