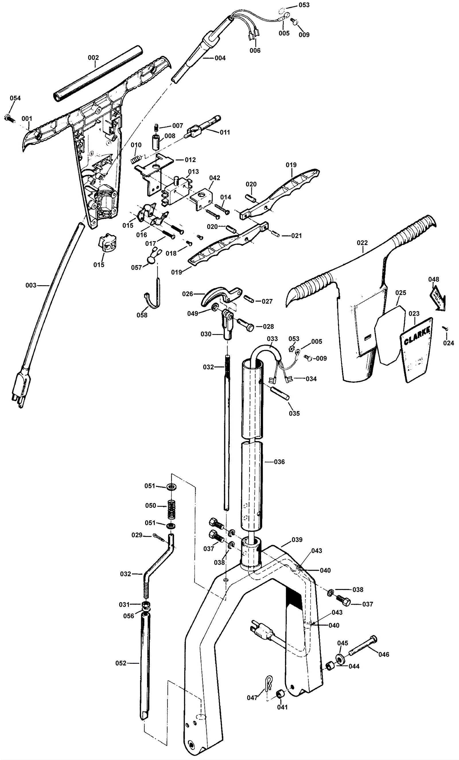
Handle Assembly