| # | Part | Description | Price | Req | Notes | Availability |
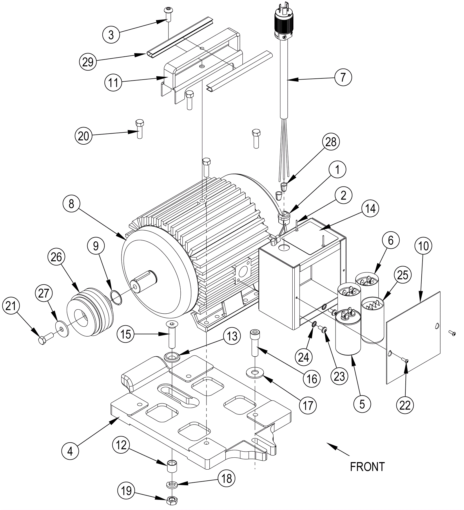
1 |
370-2601
|
STRAIN RELIEF-BUSHING SR 8L-1 |
$1.69
|
1 |
|
usually ships 12-15 days |
2 |
372-1873
|
Rivet |
$1.21
|
2 |
|
usually ships 12-15 days |
3 |
370-6776
|
SCR 3/8 -16X1 BT ST ALLEN |
$2.66
|
1 |
|
usually ships 12-15 days |
4 |
170-4351
|
platform motor black (obsolete) |
Call for price
|
1 |
|
usually ships 13-18 days |
5 |
372-1877
|
Run capacitor |
$235.99
|
1 |
|
usually ships 12-15 days |
6 |
375-7633
|
Start capacitor |
$176.90
|
2 |
|
usually ships 12-15 days |
7 |
372-1880
|
Cord (OBSOLETE) |
Call for price
|
1 |
|
usually ships 13-18 days |
8 |
372-1811
|
Motor |
$4,003.27
|
1 |
|
usually ships 12-15 days |
9 |
372-1882
|
Retaining ring |
$2.66
|
1 |
|
usually ships 12-15 days |
10 |
170-7691
|
motor start(obsolete) |
Call for price
|
1 |
|
usually ships 13-18 days |
11 |
372-1871
|
Motor handle (OBSOLETE) |
Call for price
|
1 |
|
usually ships 13-18 days |
12 |
170-4489
|
spacer screw motor (obsolete) |
Call for price
|
1 |
|
usually ships 13-18 days |
13 |
170-4540
|
washer screw motor(obsolete) |
Call for price
|
1 |
|
usually ships 13-18 days |
14 |
372-1874
|
Safety plate |
$38.73
|
1 |
|
usually ships 12-15 days |
15 |
370-6018
|
SCREW 1/2-13 X 2 1/4 FLAT HD |
$4.60
|
1 |
|
usually ships 12-15 days |
16 |
999-0372
|
Bolt 1/2-13 x 1 3/4 hex head |
$0.99
|
1 |
|
ships same day |
17 |
372-1806
|
Washer .56 x 1.38 x .11 flat (OBSOLETE) |
Call for price
|
1 |
|
usually ships 13-18 days |
18 |
370-6352
|
WASHER LOCK 1/2 NOM |
$1.21
|
1 |
|
usually ships 12-15 days |
19 |
999-0050
|
Nut 1/2-13 hex jam plain finish |
$0.99
|
1 |
|
ships same day |
20 |
999-0649
|
Bolt 3/8-16 x 1 1/4 hex head stainless steel |
$1.21
|
4 |
|
ships same day |
21 |
999-0038
|
Bolt 3/8-16 x 1 hex head grade 5 zinc plated |
$1.87
|
1 |
|
ships same day |
22 |
999-0462
|
Screw 8-32 x 1/2 pan head slotted zinc plated |
$0.99
|
2 |
|
ships same day |
23 |
999-0323
|
Screw 1/4-20 x 1/2 pan head slotted zinc plated |
$0.99
|
2 |
|
ships same day |
24 |
999-0017
|
Washer 1/4 external star lock |
$0.99
|
2 |
|
ships same day |
25 |
372-1878
|
Start switch |
$397.36
|
1 |
|
usually ships 12-15 days |
26 |
170-7633
|
motor pulley(obsolete) |
Call for price
|
1 |
|
usually ships 13-18 days |
27 |
372-1883
|
Retainer pulley |
$11.10
|
1 |
|
usually ships 12-15 days |
28 |
370-0822
|
CONNECTORWIRE NUT-RED |
$1.21
|
2 |
|
usually ships 12-15 days |
29 |
370-6803
|
TRIMVINYLBLACK400 FT. SPOOL |
$7.87
|
1.12" |
|
usually ships 12-15 days |