| # | Part | Description | Price | Req | Notes | Availability |
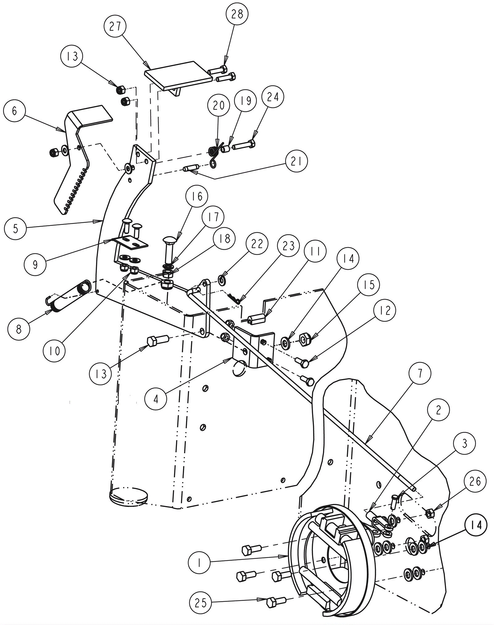
1 |
170-7717
|
Left hand brake (OBSOLETE) |
$232.87
|
1 |
|
usually ships 13-18 days |
2 |
272-5631
|
Clevis |
$37.27
|
1 |
|
usually ships 1-5 days |
3 |
170-6784
|
Yoke pin assembly |
$11.35
|
1 |
|
usually ships 1-5 days |
4 |
370-2821
|
BRKT-BRAKE PEDAL PIVOT (OBSOLETE) |
$57.53
|
1 |
(apply never sieze) |
usually ships 13-18 days |
5 |
370-4126
|
PEDAL-BRAKE OPT 5730 |
$70.51
|
1 |
|
usually ships 13-18 days |
6 |
370-4130
|
PEDAL-PARKING BRAKE OPT 5730 |
$52.47
|
1 |
|
usually ships 13-18 days |
7 |
370-4315
|
ROD-BRAKE |
$150.37
|
1 |
|
usually ships 13-18 days |
8 |
370-6406
|
SPR-ARM-LIFT-BRUSH-SIDE |
$63.58
|
1 |
|
usually ships 13-18 days |
9 |
370-3167
|
CLIP PARKING BRAKE 5730 OPTION (OBSOLETE) |
$59.29
|
1 |
|
usually ships 13-18 days |
10 |
999-0294
|
Nut 1/4-20 hex nylon lock type NE stainless steel |
$1.18
|
7 |
|
ships same day |
11 |
370-5508
|
EDGING BROOM CHAMBER |
$14.41
|
1 |
|
usually ships 13-18 days |
12 |
999-0020
|
Bolt 1/4-20 x 3/4 hex head grade 5 zinc plated |
$0.99
|
2 |
|
ships same day |
13 |
999-0038
|
Bolt 3/8-16 x 1 hex head grade 5 zinc plated |
$1.87
|
1 |
|
ships same day |
14 |
170-6782
|
Washer 3/4 x 25/64 x 3/32 flat |
$12.89
|
9 |
|
usually ships 13-18 days |
15 |
999-0324
|
Nut 3/8-16 nylon insert lock jam zinc plated |
$0.99
|
2 |
|
ships same day |
16 |
370-1071
|
BOLT CARR.38-16 X 1.50 GR5 ZN |
$11.25
|
2 |
|
usually ships 13-18 days |
17 |
170-6752
|
Washer 3/8 lock split plated |
$12.89
|
1 |
|
usually ships 1-5 days |
18 |
999-0635
|
Nut 3/8-16 hex stainless steel |
$0.99
|
1 |
|
ships same day |
19 |
170-7710
|
Bushing |
$20.90
|
1 |
|
usually ships 1-5 days |
20 |
170-7711
|
Spring |
$8.80
|
1 |
|
usually ships 1-5 days |
21 |
370-1498
|
PIN |
$8.80
|
1 |
|
usually ships 13-18 days |
22 |
999-0016
|
Washer 1/4 flat plain finish |
$0.99
|
5 |
|
ships same day |
23 |
170-7782
|
Cotter hair pin (OBSOLETE) |
$9.27
|
1 |
|
usually ships 1-5 days |
24 |
999-0136
|
Bolt 1/4-20 x 1 1/4 hex head grade 5 zinc plated |
$0.99
|
1 |
|
ships same day |
25 |
181-0983
|
Screw 5/16-18 x 7/8 hex head |
$12.89
|
4 |
|
usually ships 1-5 days |
26 |
999-0211
|
Nut 5/16-18 hex nylon insert lock zinc plated |
$0.99
|
4 |
|
ships same day |
27 |
370-4127
|
BRAKE PEDAL |
$30.03
|
1 |
|
usually ships 13-18 days |
28 |
999-0830
|
Screw 1/4-20 x 1 hex head plain finish |
$0.99
|
2 |
|
ships same day |
N/S |
272-4968
|
Brake pedal pad |
$11.35
|
1 |
(brake pedal pad) |
usually ships 1-5 days |
N/S |
170-7656
|
Foot pedal pad (OBSOLETE) |
$7.70
|
1 |
(brake lock pad) |
usually ships 1-5 days |