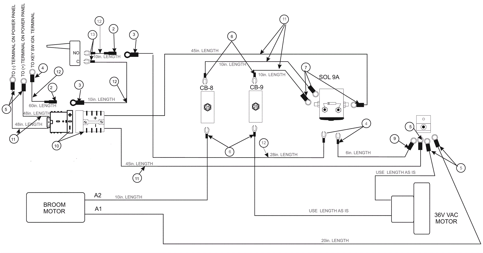
| # | Part | Description | Price | Req | Notes | Availability |
2 |
170-6642
|
Female bullet terminal |
$12.89
|
2 |
|
usually ships 1-5 days |
3 |
170-6637
|
Male bullet terminal |
$14.41
|
2 |
|
usually ships 1-5 days |
4 |
170-6640
|
Ring terminal |
$12.89
|
3 |
|
usually ships 1-5 days |
5 |
170-7735
|
Terminal, 1/4 ring |
$8.80
|
5 |
|
usually ships 1-5 days |
6 |
170-7736
|
Terminal, #6 SS (OBSOLETE) |
$7.59
|
4 |
|
usually ships 1-5 days |
7 |
170-7624
|
Terminal (OBSOLETE) |
$7.59
|
3 |
|
usually ships 1-5 days |
9 |
170-7737
|
Terminal, 1/4 ring (OBSOLETE) |
$7.59
|
1 |
|
usually ships 1-5 days |
10 |
170-7738
|
SB - 50 Connectors |
$41.67
|
2 |
|
usually ships 1-5 days |
11 |
170-7628
|
10 Awg wire (OBSOLETE) |
$7.59
|
18ft |
(cut as needed) |
usually ships 1-5 days |
12 |
170-6643
|
Wire 16 awg |
$11.99
|
10ft |
(cut as needed) |
usually ships 1-5 days |
13 |
170-7631
|
Terminal |
$12.89
|
2 |
|
usually ships 1-5 days |