| # | Part | Description | Price | Req | Notes | Availability |
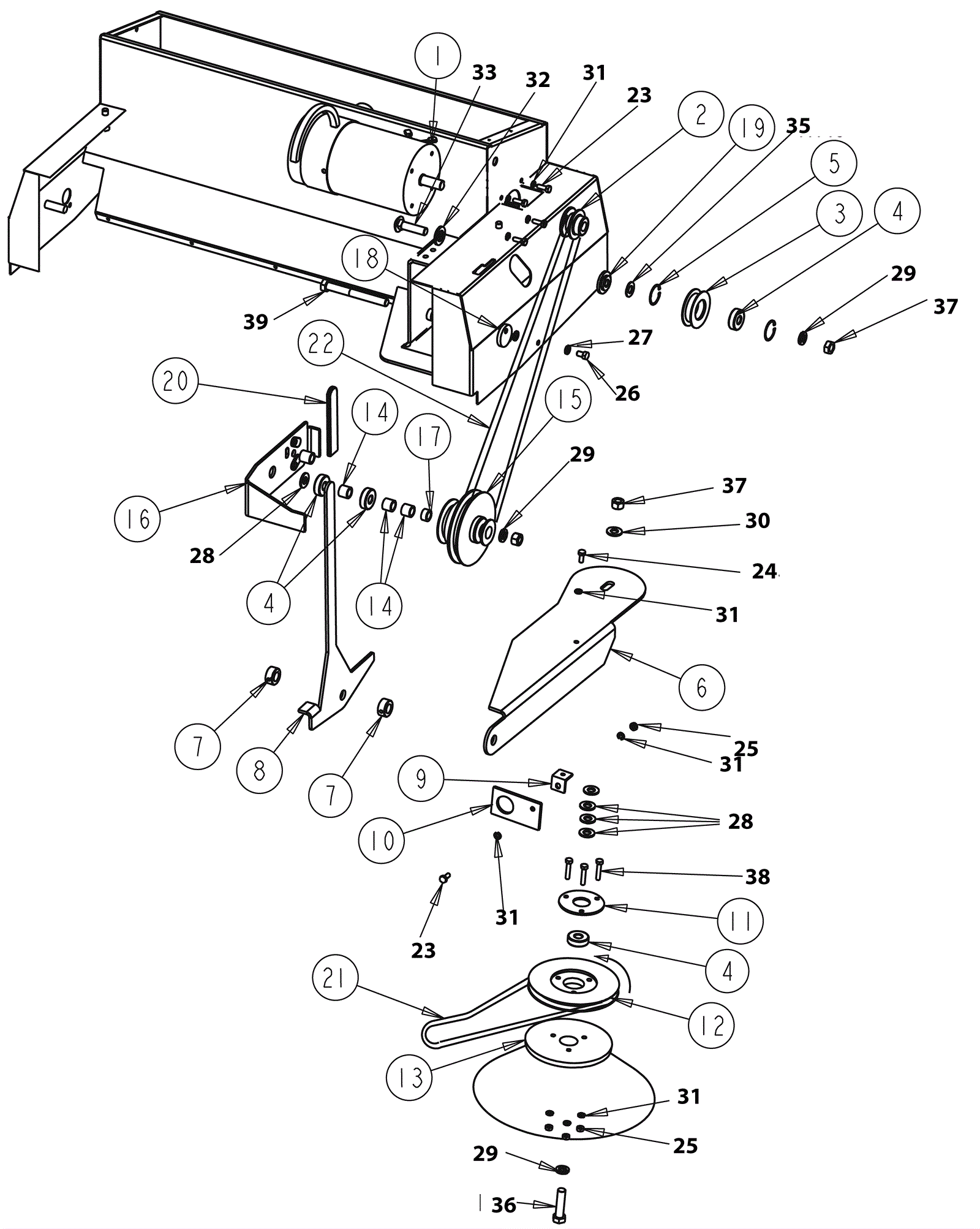
1a |
170-7623
|
Drive motor (OBSOLETE) |
$1,171.72
|
1 |
|
usually ships 1-5 days |
1b |
370-0181
|
BRUSH ASSY FOR 0782-110 (OBSOLETE) |
$23.32
|
4 |
(motor brushes) |
usually ships 13-18 days |
2 |
170-7674
|
Motor pulley (OBSOLETE) |
$23.32
|
1 |
|
usually ships 1-5 days |
3 |
170-7673
|
Idler pulley (OBSOLETE) |
$48.73
|
1 |
|
usually ships 1-5 days |
4 |
170-7639
|
Bearing |
$60.67
|
4 |
|
usually ships 1-5 days |
5 |
170-7671
|
Bearing retainer ring |
$10.52
|
2 |
|
usually ships 1-5 days |
6 |
170-7718
|
Side broom arm (OBSOLETE) |
$58.08
|
1 |
|
usually ships 1-5 days |
7 |
170-7659
|
5/8 inch collar |
$15.17
|
2 |
|
usually ships 1-5 days |
8 |
170-7719
|
Brush lift lever (OBSOLETE) |
$73.59
|
1 |
|
usually ships 1-5 days |
9 |
170-7658
|
Bracket |
$52.80
|
1 |
|
usually ships 1-5 days |
10 |
170-7720
|
Belt guide plate |
$67.10
|
1 |
|
usually ships 1-5 days |
11 |
170-7664
|
Side broom pulley flange (OBSOLETE) |
$34.98
|
1 |
|
usually ships 1-5 days |
12 |
170-7663
|
Side broom pulley (OBSOLETE) |
$97.35
|
1 |
|
usually ships 1-5 days |
13 |
170-7661
|
Side broom |
$112.20
|
1 |
|
usually ships 1-5 days |
14 |
170-7653
|
Pulley shaft spacer (OBSOLETE) |
$8.25
|
3 |
|
usually ships 1-5 days |
15 |
170-7721
|
Counter shaft pulley (OBSOLETE) |
$289.96
|
1 |
|
usually ships 1-5 days |
16 |
170-7651
|
Right hand main broom support (OBSOLETE) |
$177.10
|
1 |
|
usually ships 1-5 days |
17 |
170-7652
|
Spacer (OBSOLETE) |
$7.59
|
1 |
|
usually ships 1-5 days |
18 |
170-7722
|
Side broom stop (OBSOLETE) |
$18.15
|
1 |
|
usually ships 1-5 days |
19 |
170-7723
|
Idler spacer (OBSOLETE) |
$26.40
|
1 |
|
usually ships 1-5 days |
20 |
170-7725
|
Handle (OBSOLETE) |
$8.25
|
1 |
|
usually ships 1-5 days |
21 |
170-7662
|
V-Belt (OBSOLETE) |
$30.03
|
1 |
|
usually ships 1-5 days |
22 |
170-7726
|
V belt |
$36.85
|
1 |
|
usually ships 1-5 days |
23 |
999-0020
|
Bolt 1/4-20 x 3/4 hex head grade 5 zinc plated |
$0.99
|
5 |
|
ships same day |
24 |
999-0019
|
Bolt 1/4-20 x 5/8 hex head grade 5 zinc plated |
$0.99
|
1 |
|
ships same day |
25 |
170-6639
|
Nut 1/4-20 |
$15.17
|
4 |
|
usually ships 13-18 days |
26 |
170-7727
|
Screw 5/16 - 18 x 1/2 hex head cap |
$12.89
|
1 |
|
usually ships 13-18 days |
27 |
170-6686
|
Washer 5/16 lock |
$11.35
|
1 |
|
usually ships 13-18 days |
28 |
999-0114
|
Washer 1/2 SAE flat |
$0.99
|
6 |
|
ships same day |
29 |
170-6788
|
Lock helical spring 1/2 medium washer |
$12.89
|
3 |
|
usually ships 1-5 days |
30 |
999-0050
|
Nut 1/2-13 hex jam plain finish |
$0.99
|
2 |
|
ships same day |
31 |
999-0060
|
Washer 1/4 split lock plain finish |
$0.99
|
10 |
|
ships same day |
32 |
170-7728
|
Washer 1 1/2 x 3/4 x 1/8 flat |
$12.89
|
1 |
|
usually ships 1-5 days |
33 |
170-7729
|
Bolt 12-13 x 2 carriage (OBSOLETE) |
$5.94
|
1 |
|
usually ships 1-5 days |
34 |
170-6750
|
Washer 5/16 type A |
$11.35
|
1 |
|
usually ships 1-5 days |
35 |
170-6870
|
Washer 1 x 33/64 x 1/16 |
$12.89
|
1 |
|
usually ships 1-5 days |
36 |
170-7666
|
Screw 1/2-13 x 2 hex head cap |
$9.13
|
1 |
|
usually ships 1-5 days |
37 |
999-0050
|
Nut 1/2-13 hex jam plain finish |
$0.99
|
1 |
|
ships same day |
38 |
999-0136
|
Bolt 1/4-20 x 1 1/4 hex head grade 5 zinc plated |
$0.99
|
3 |
|
ships same day |
39 |
170-7650
|
Screw 1/2-13 x 4 1/2 hex head cap |
$12.89
|
1 |
|
usually ships 1-5 days |