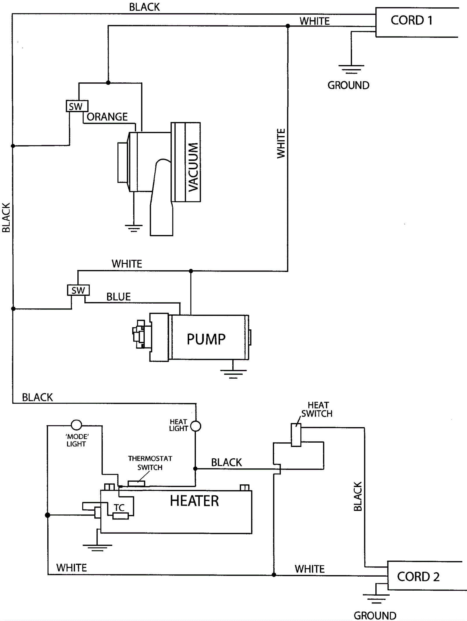
Wiring Diagram - 100PSI Heated
Click to enlarge