| # | Part | Description | Price | Req | Notes | Availability |
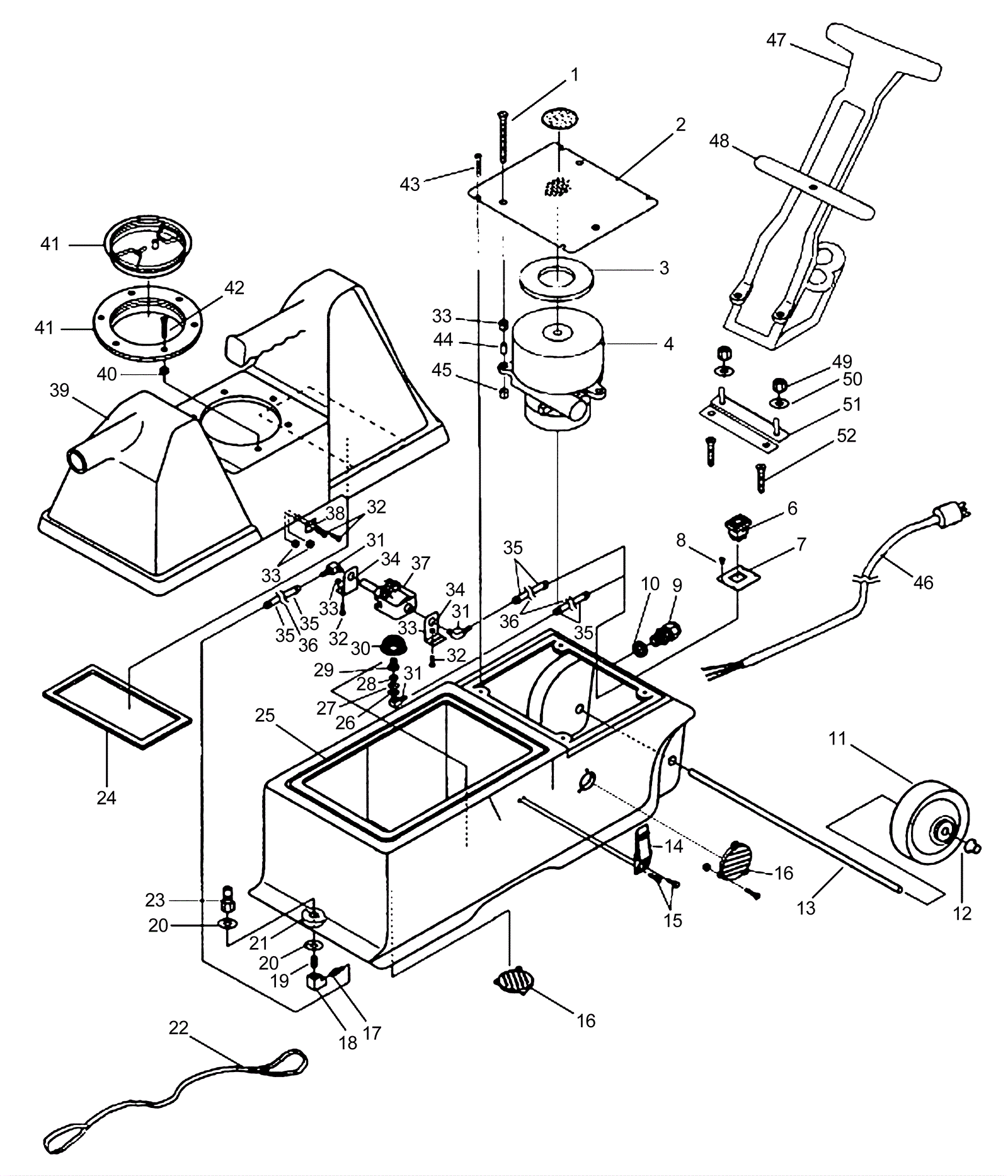
1 |
170-5404
|
Screw 10-32 x 4 flat head |
$14.47
|
3 |
|
usually ships 1-5 days |
2 |
170-5405
|
Mounting plate |
$90.20
|
1 |
|
usually ships 1-5 days |
3 |
209-0005
|
Vacuum motor gasket |
$14.41
|
1 |
|
usually ships 13-18 days |
4 |
170-8008
|
115V motor assembly |
$184.81
|
1 |
|
usually ships 13-18 days |
6 |
172-3539
|
Switch with cover (OBSOLETE) |
$52.67
|
1 |
|
usually ships 13-18 days |
7 |
170-5408
|
Switch plate |
$37.27
|
1 |
|
usually ships 1-5 days |
8 |
170-5409
|
Screw 4 x 1/4 pan head |
$12.89
|
4 |
|
usually ships 1-5 days |
9 |
170-0292
|
Strain relief |
$16.35
|
1 |
|
usually ships 12-15 days |
10 |
170-2413
|
Nut lock |
$1.21
|
1 |
|
usually ships 12-15 days |
11 |
375-7611
|
Wheel |
$79.48
|
2 |
|
usually ships 13-18 days |
12 |
170-5410
|
Axle cap (OBSOLETE) |
$10.85
|
2 |
|
usually ships 13-18 days |
13 |
N/A
|
Not available |
Call for price
|
1 |
Axle |
usually ships 3-26 days |
14 |
172-0094
|
Latch |
$46.67
|
2 |
|
ships same day |
15 |
999-0321
|
Screw 10-32 x 3/8 pan head slotted zinc plated |
$0.99
|
4 |
|
ships same day |
16 |
170-5411
|
Louver (OBSOLETE) |
$7.81
|
2 |
|
usually ships 1-5 days |
17 |
170-6293
|
Hose barb 1/8 x 1/4 inch (OBSOLETE) |
$5.50
|
1 |
|
usually ships 1-5 days |
18 |
170-5412
|
90 degree brass elbow (OBSOLETE) |
$6.78
|
1 |
|
usually ships 13-18 days |
19 |
170-3123
|
1/8 close pipe nipple (OBSOLETE) |
$9.13
|
1 |
|
usually ships 13-18 days |
20 |
209-0043
|
Washer 1/8 brass |
$15.17
|
2 |
|
usually ships 13-18 days |
21 |
170-5413
|
Solution tank |
$562.65
|
1 |
|
usually ships 1-5 days |
22 |
170-5414
|
Strap |
$18.82
|
1 |
|
usually ships 1-5 days |
23 |
991-8149
|
1/8 inch male quick disconnect |
$10.00
|
1 |
|
ships same day |
24 |
270-0728
|
Vacuum seal gasket (OBSOLETE) |
$24.96
|
1 |
|
usually ships 13-18 days |
25 |
270-0729
|
Solution tank gasket (OBSOLETE) |
$56.35
|
1 |
|
usually ships 13-18 days |
26 |
999-1416
|
Washer 7/16 flat stainless steel |
$0.99
|
1 |
|
ships same day |
27 |
170-5415
|
Washer |
$10.52
|
1 |
|
usually ships 1-5 days |
28 |
209-0044
|
Nut 1/8 brass lock (OBSOLETE) |
$10.52
|
1 |
|
usually ships 13-18 days |
29 |
170-5417
|
Bushing |
$12.89
|
1 |
|
usually ships 1-5 days |
30 |
170-5418
|
Filter (OBSOLETE) |
$9.27
|
1 |
|
usually ships 13-18 days |
31 |
181-1099
|
Male hose barb |
$22.58
|
2 |
|
usually ships 13-18 days |
32 |
999-0726
|
Screw 10-32 x 5/8 pan head phillips zinc plated |
$0.99
|
8 |
|
ships same day |
33 |
999-0460
|
Nut 10-32 hex |
$0.99
|
8 |
|
ships same day |
34 |
170-5419
|
Pump bracket |
$9.27
|
2 |
|
usually ships 1-5 days |
35 |
372-3730
|
Hose clamp |
$12.89
|
6 |
|
usually ships 13-18 days |
36 |
170-5420
|
Braided hose |
$8.83
|
32in |
|
usually ships 1-5 days |
37 |
170-7894
|
120V 55PSI pump |
$115.74
|
1 |
|
usually ships 13-18 days |
38 |
209-0140
|
Latch strike |
$16.20
|
2 |
|
usually ships 13-18 days |
39 |
170-5421
|
Recovery tank (OBSOLETE) |
$264.33
|
1 |
|
usually ships 1-5 days |
40 |
999-0357
|
Nut 8-32 nylon insert lock stainless steel |
$0.99
|
6 |
|
ships same day |
42 |
999-1356
|
Screw 8-32 x 7/8 pan head phillips stainlesss steel |
$0.99
|
6 |
|
usually ships 1-5 days |
43 |
170-5422
|
Screw 10-32 x 5/8 flat head |
$12.89
|
4 |
|
usually ships 1-5 days |
44 |
170-5423
|
Tubing 1/4 ID |
$8.03
|
3 |
|
usually ships 1-5 days |
45 |
999-0460
|
Nut 10-32 hex |
$0.99
|
6 |
|
ships same day |
46 |
170-5424
|
18/3 power cord 25 foot |
$68.75
|
1 |
|
usually ships 1-5 days |
47 |
170-5425
|
Handle assembly (OBSOLETE) |
$392.37
|
1 |
|
usually ships 1-5 days |
48 |
170-5426
|
Velcro strap |
$16.40
|
2 |
|
usually ships 1-5 days |
49 |
170-0465
|
Nut 1/4-20 ESNA heavy jam |
$11.35
|
2 |
|
usually ships 13-18 days |
50 |
999-0016
|
Washer 1/4 flat plain finish |
$0.99
|
2 |
|
ships same day |
51 |
170-5427
|
Handle hinge |
$77.24
|
1 |
|
usually ships 13-18 days |
52 |
999-0343
|
Screw 1/4-20 x 1/4 pan head phillips stainless steel |
$0.99
|
2 |
|
ships same day |