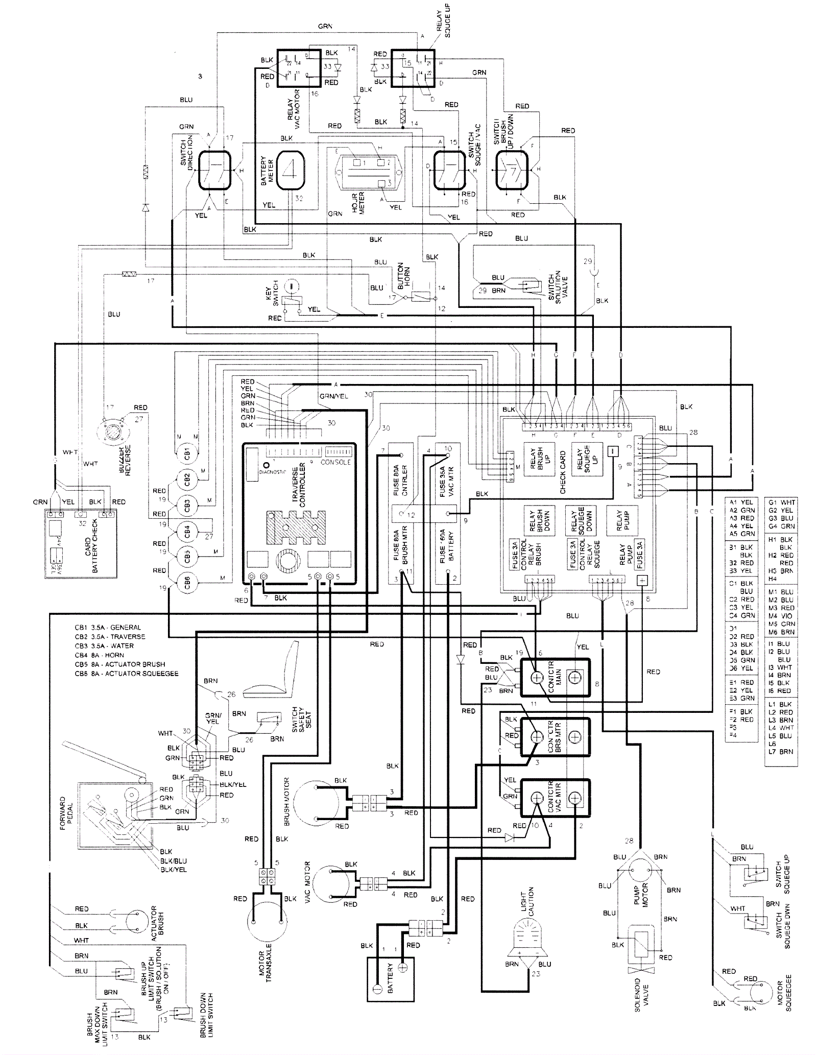
Electrical Diagram
Click to enlarge