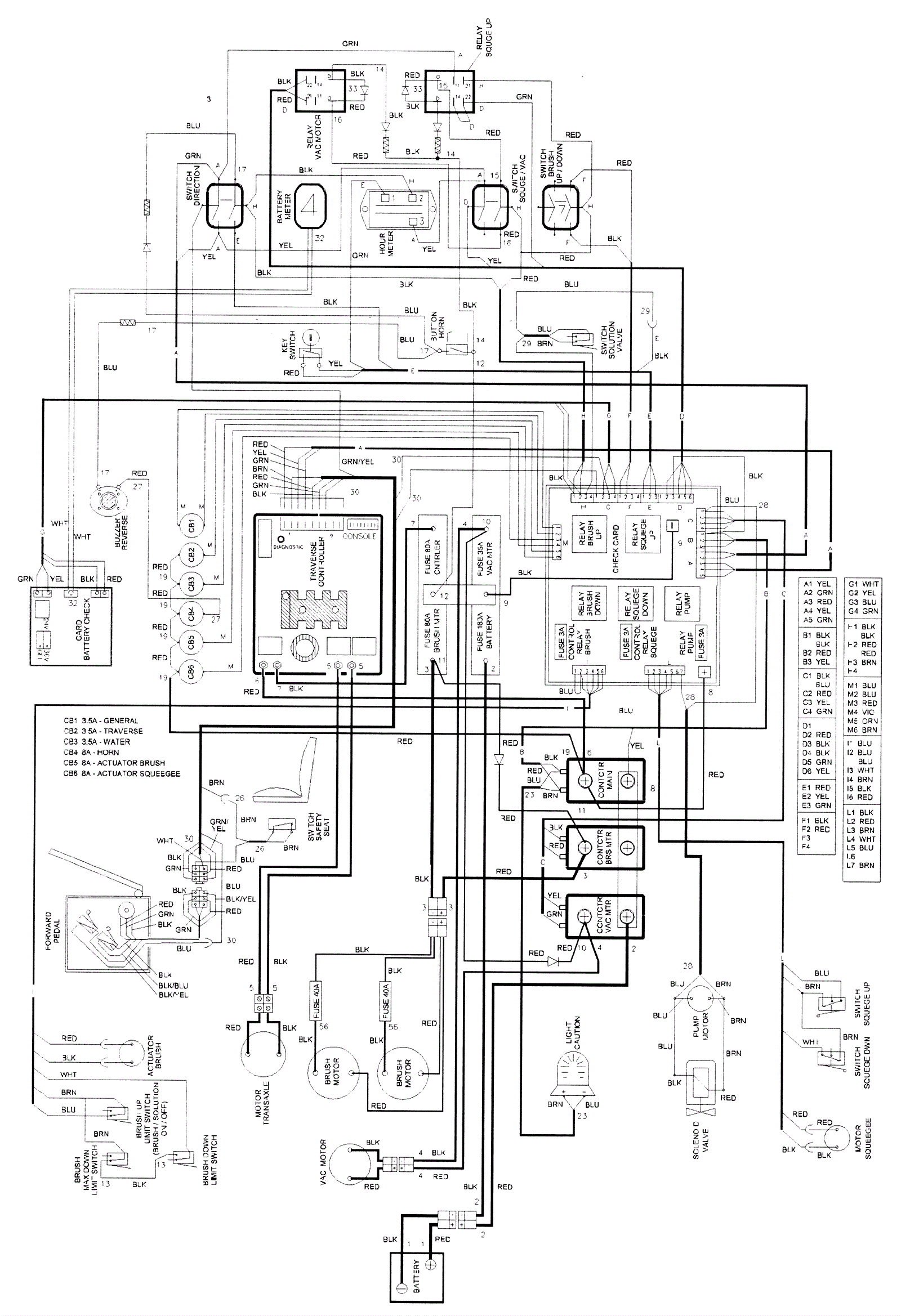
Electrical Connection Diagram
Click to enlarge