| # | Part | Description | Price | Req | Notes | Availability | 
|---|
          
            
            
                
                  
                  
                  
				       
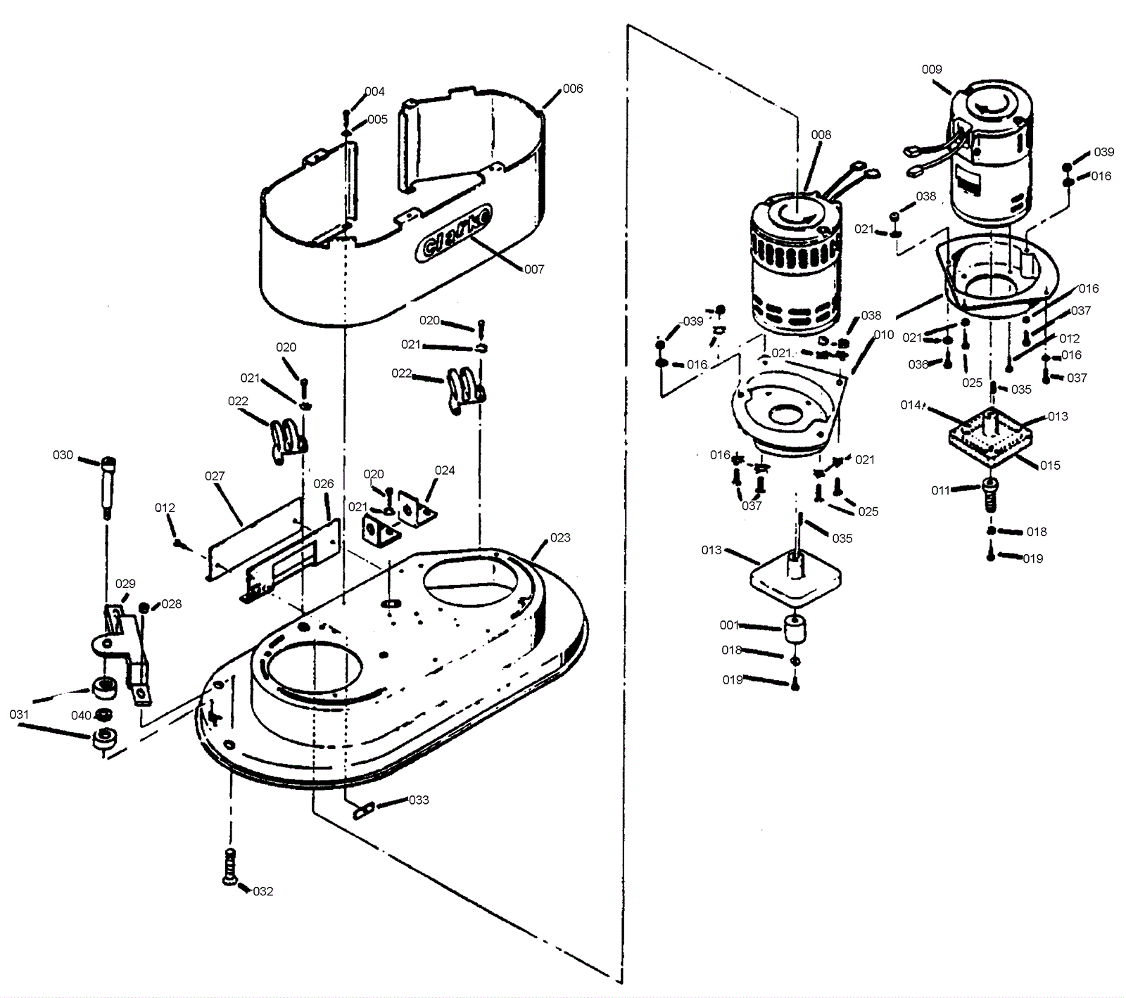
				      001 | 170-4915 | Left hand female adapter (OBSOLETE) | $42.17 | 1 |  | usually ships 1-5 days | 004 | 999-0267 | Screw 10-24 x 1/2 pan head phillips zinc | $0.99 | 6 |  | ships same day | 005 | 999-0311 | Washer #10 external star lock zinc plated | $0.99 | 6 |  | ships same day | 006 | 170-4916 | Shield (OBSOLETE) | $3.65 | 1 |  | usually ships 1-5 days | 007 | 170-4917 | Label (OBSOLETE) | Call for price | 1 |  | usually ships 1-5 days | 008 | 170-4918 | Motor (OBSOLETE) | $1,792.96 | 1 | Includes no.35 | usually ships 1-5 days | 009 | 170-4919 | Motor (OBSOLETE) | $1,430.59 | 1 | Includes no.35 | usually ships 1-5 days | 010 | 170-5745 | Adaptor-Motor (OBSOLETE) | $130.56 | 2 |  | usually ships 1-5 days | 011 | 170-4920 | Right hand male adapter (OBSOLETE) | $165.63 | 1 |  | usually ships 1-5 days | 012 | 170-5996 | Screw 1/4-20 x 3/4 hex head | $10.52 | 10 |  | usually ships 1-5 days | 013 | 170-4921 | Driver (OBSOLETE) | $108.01 | 2 |  | usually ships 1-5 days | 014 | 170-4922 | Pad (OBSOLETE) | $7.92 | 8 |  | usually ships 1-5 days | 015 | 170-4923 | Tape (OBSOLETE) | $6.29 | 8 |  | usually ships 1-5 days | 016 | 999-0017 | Washer 1/4 external star lock | $0.99 | 6 |  | ships same day | 018 | 170-0549 | Power connect bracket (OBSOLETE) | $18.66 | 2 |  | usually ships 1-5 days | 019 | 170-1599 | Screw 5/16-18 x 3/4 socket head nylock | $5.50 | 2 |  | usually ships 13-18 days | 020 | 999-0132 | Bolt 5/16-18 x 3/4 hex head grade 5 zinc plated | $2.64 | 10 |  | ships same day | 021 | 999-0406 | Washer 5/16 internal star lock zinc plated | $0.99 | 16 |  | ships same day | 022 | 170-0008 | Brush housing bracket (OBSOLETE) | $48.71 | 2 |  | usually ships 1-5 days | 023 | 170-5755 | Housing Brush (OBSOLETE) | $625.24 | 1 |  | usually ships 1-5 days | 024 | 170-0405 | Housing lift bracket (OBSOLETE) | $14.49 | 2 |  | usually ships 1-5 days | 025 | 170-3357 | Screw 5/16-18x1 1/4 hex head | $1.21 | 2 |  | ships same day | 026 | 170-4924 | Gasket (OBSOLETE) | Call for price | 1 |  | usually ships 1-5 days | 027 | 170-4925 | Cover (OBSOLETE) | Call for price | 1 |  | usually ships 1-5 days | 028 | 999-0152 | Nut 1/4-20 nylon insert lock zinc plated | $0.99 | 2 |  | ships same day | 029 | 170-4926 | Bracket (OBSOLETE) | $40.74 | 1 |  | usually ships 1-5 days | 030 | 170-4586 | Bolt 3/8 x 1 shoulder | $9.27 | 1 |  | usually ships 1-5 days | 031 | 170-2546 | Wheel 3 inch OD ( (OBSOLETE) | $11.53 | 1 |  | usually ships 1-5 days | 032 | 373-3017 | Screw 1/4-20 x 3/4 | $12.89 | 2 |  | usually ships 13-18 days | 033 | 170-7236 | Connector (OBSOLETE) | $7.01 | 2 |  | usually ships 1-5 days | 035 | 164-0132 | Square keyway 1/4 x 1/4 | $4.82 | 2 | Includes no. 8, 9 | ships same day | 036 | N/A | Not available | Call for price |  | Screw | usually ships 3-26 days | 037 | 999-0432 | Screw 1/4-20 x 1 1/4 pan head phillips zinc plated | $0.99 | 4 |  | ships same day | 038 | 999-0069 | Nut 5/16-18 hex | $0.99 | 2 |  | ships same day | 039 | 999-0190 | Nut 1/4-20 hex plain finish | $0.99 | 2 |  | ships same day | 040 | 372-1734 | Wave washer | $12.89 | 1 |  | usually ships 13-18 days |