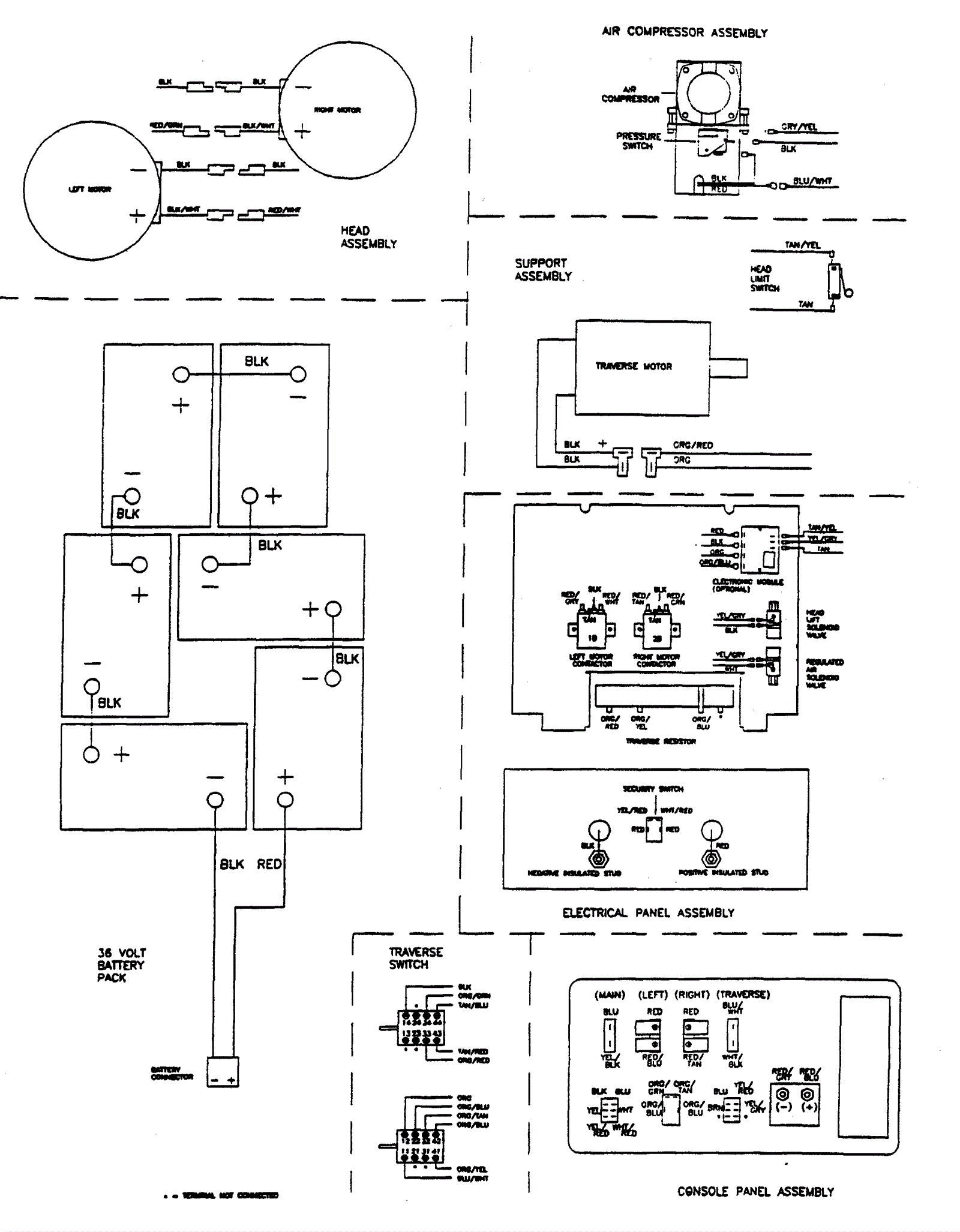
Electrical Connection Diagram