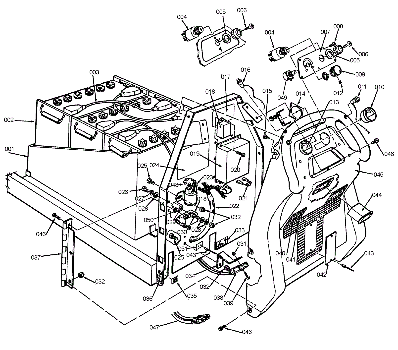
Upper Main Assembly - 1
Click to enlarge