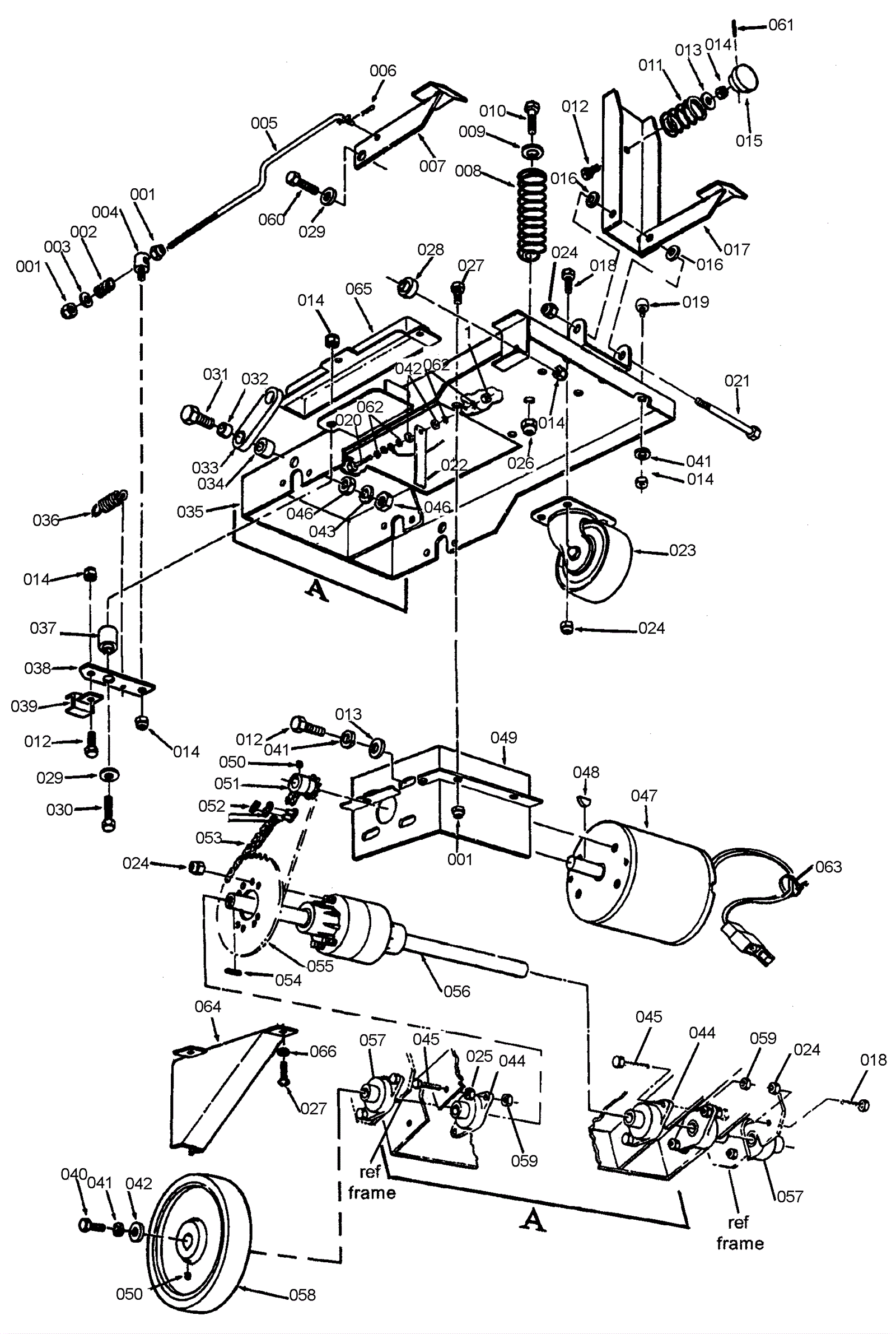
Lower Main Assembly - 3
Click to enlarge