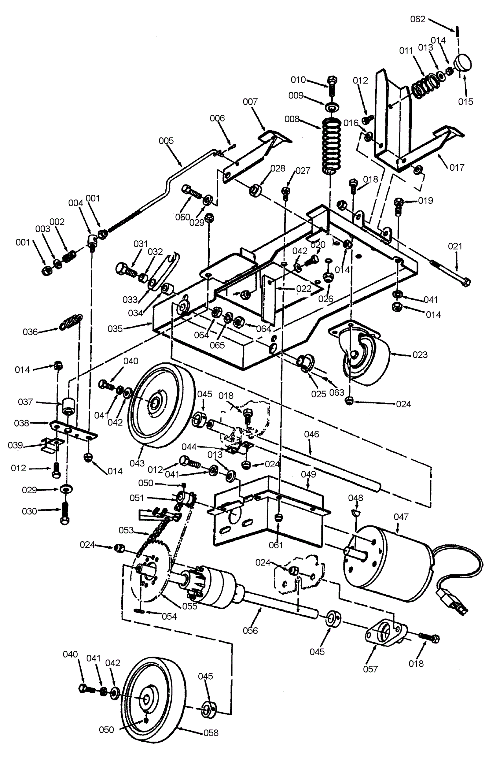
Lower Main Assembly - 2
Click to enlarge