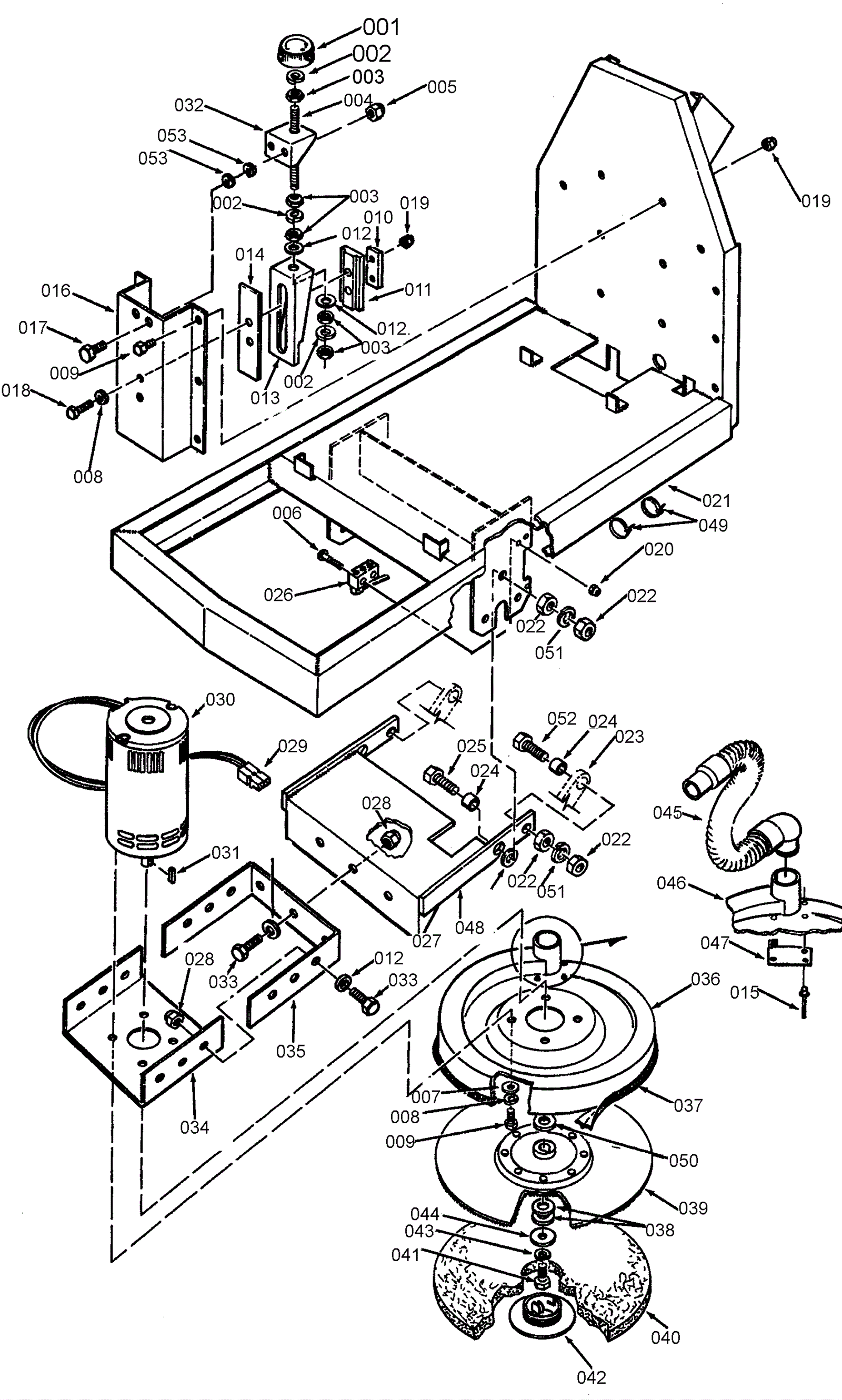
Lower Main Assembly - 1
Click to enlarge