| # | Part | Description | Price | Req | Notes | Availability |
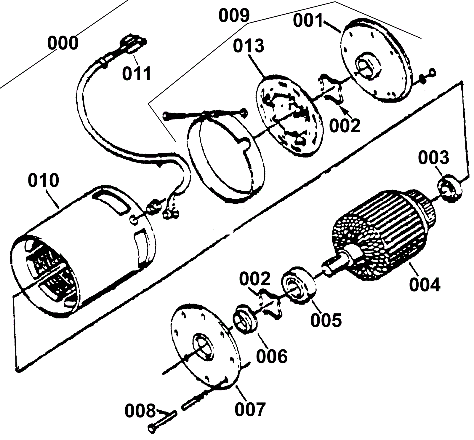
000 |
170-1654
|
Transverse motor (OBSOLETE) |
$902.18
|
1 |
|
usually ships 1-5 days |
001 |
170-1655
|
Communicator bracket cover (OBSOLETE) |
$48.71
|
1 |
|
usually ships 1-5 days |
002 |
170-0379
|
Wave washer |
$11.35
|
1 |
|
usually ships 13-18 days |
003 |
372-1890
|
Bearing (rear) |
$46.67
|
1 |
|
usually ships 13-18 days |
004 |
170-1605
|
Armature assembly (OBSOLETE) |
$1,162.49
|
1 |
|
usually ships 1-5 days |
005 |
170-0321
|
Front end bearing |
$12.71
|
1 |
|
usually ships 12-15 days |
006 |
170-0382
|
Oil seal |
$19.65
|
1 |
|
usually ships 1-5 days |
007 |
170-0703
|
Bottom end bracket (OBSOLETE) |
$196.02
|
1 |
|
usually ships 1-5 days |
008 |
170-0707
|
Bolt 1/4-20 x 5-3/4 hex head (OBSOLETE) |
$5.50
|
2 |
|
usually ships 1-5 days |
009 |
170-1608
|
Bracket assembly (OBSOLETE) |
Call for price
|
1 |
|
usually ships 1-5 days |
010 |
170-0384
|
Field assembly (OBSOLETE) |
$560.62
|
1 |
|
usually ships 1-5 days |
011a |
170-0385
|
Male terminal housing connector |
$10.52
|
1 |
|
usually ships 1-5 days |
011b |
170-0386
|
Male terminal (OBSOLETE) |
$7.01
|
1 |
|
usually ships 1-5 days |
013a |
170-1609
|
Brush holding assembly (OBSOLETE) |
$198.75
|
1 |
|
usually ships 1-5 days |
013b |
372-1685
|
Springs |
$17.75
|
4 |
|
usually ships 12-15 days |
013c |
170-0336
|
Carbon brush assembly (OBSOLETE) |
$49.73
|
4 |
|
usually ships 1-5 days |