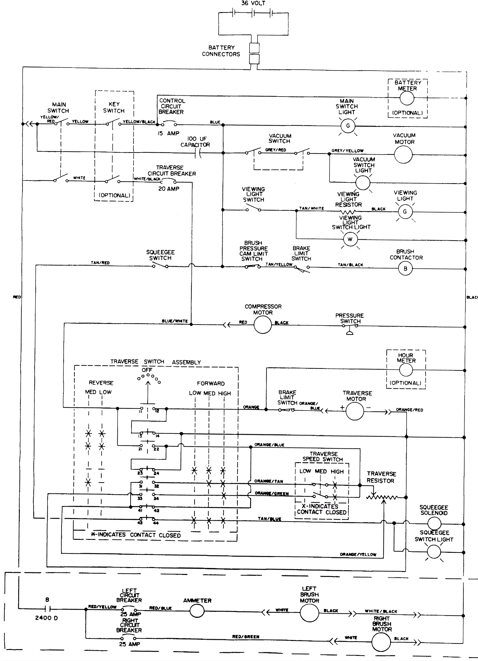
Wiring Diagram 1