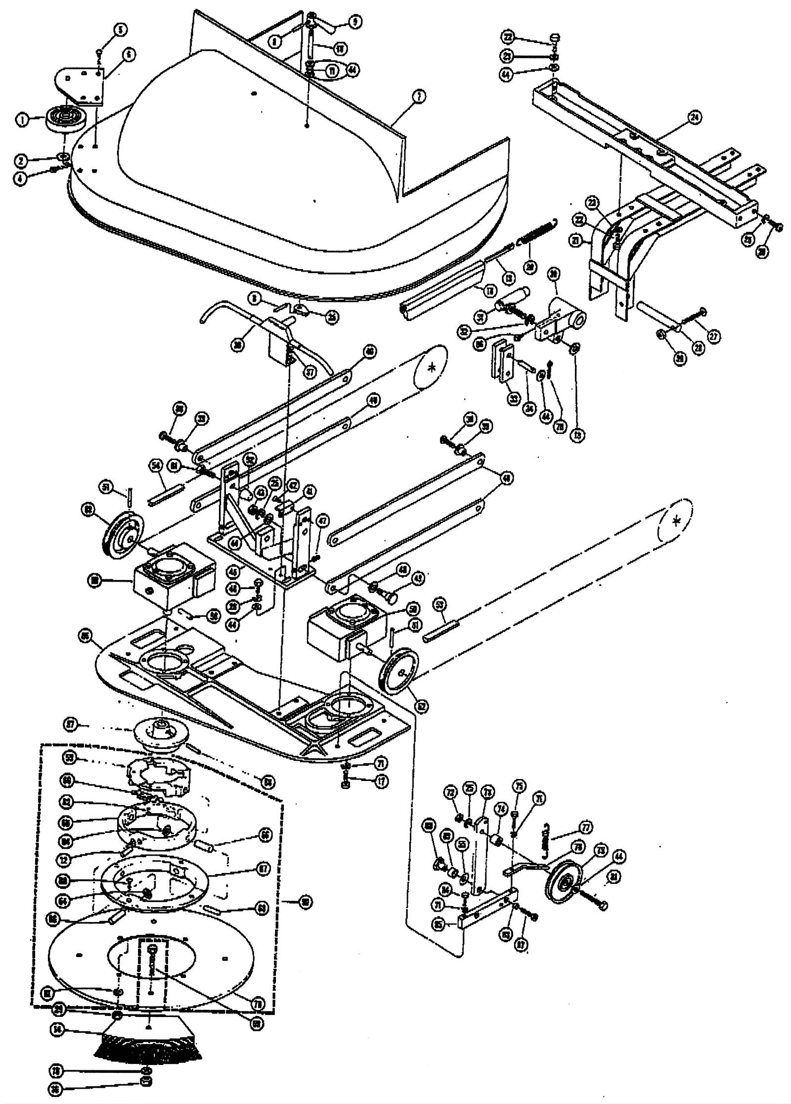
Head Assembly
Click to enlarge