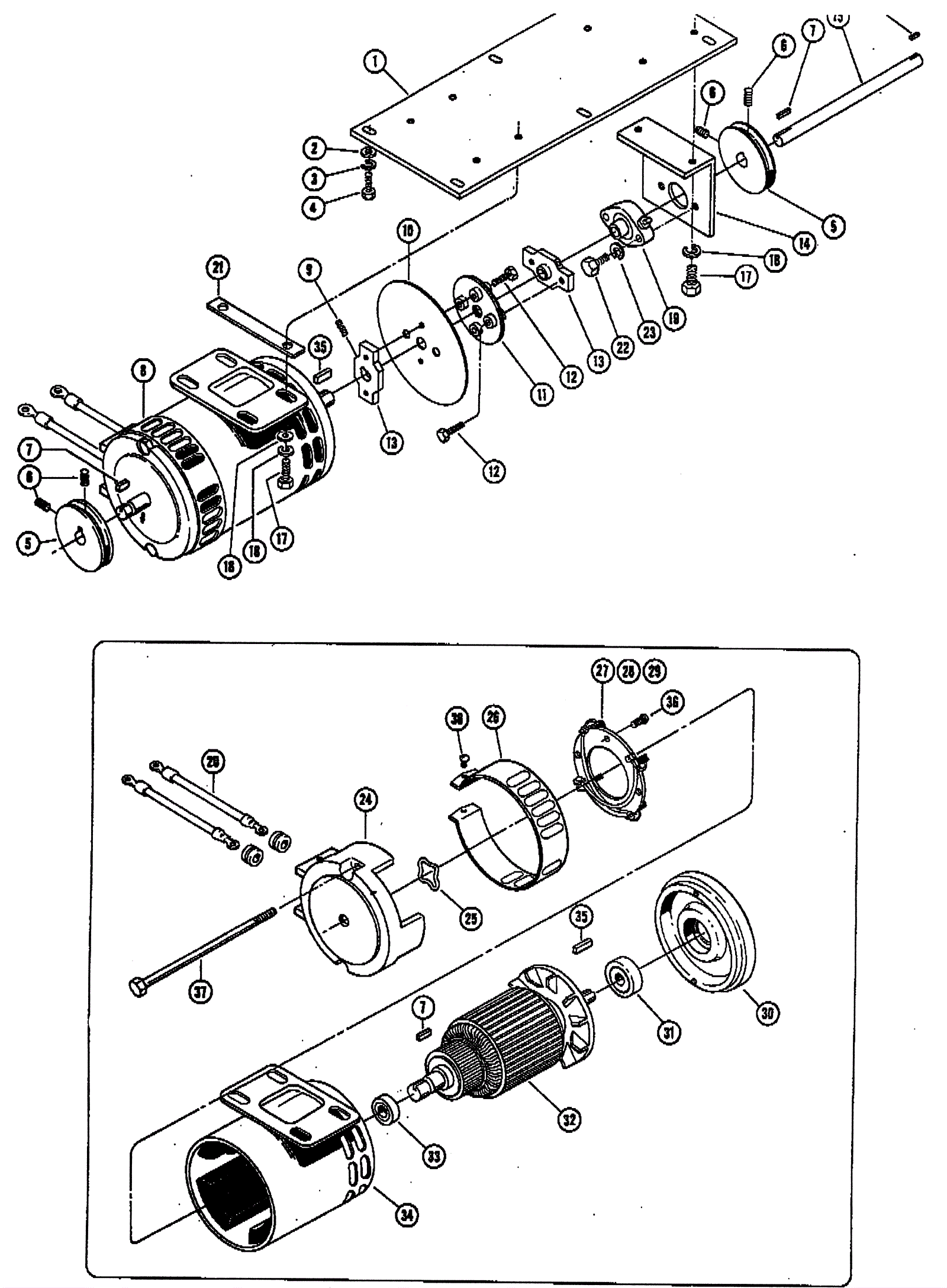
Drive Motor Assembly
Click to enlarge