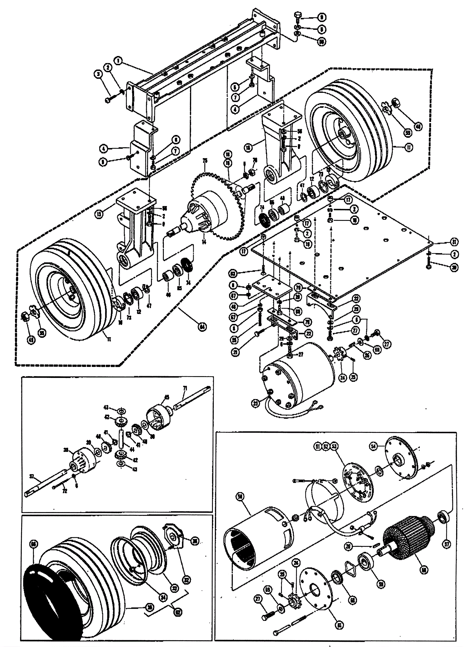
Drive Assembly
Click to enlarge