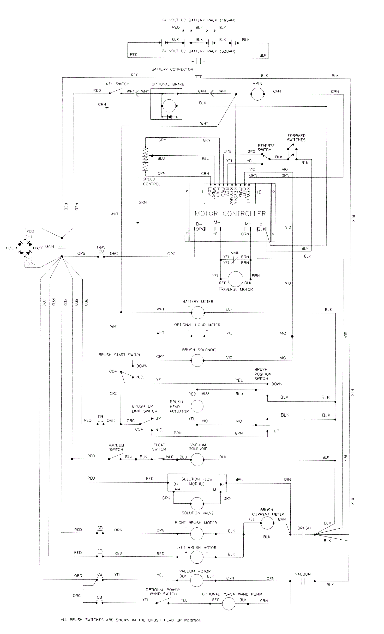
Electrical Schematic