| # | Part | Description | Price | Req | Notes | Availability |
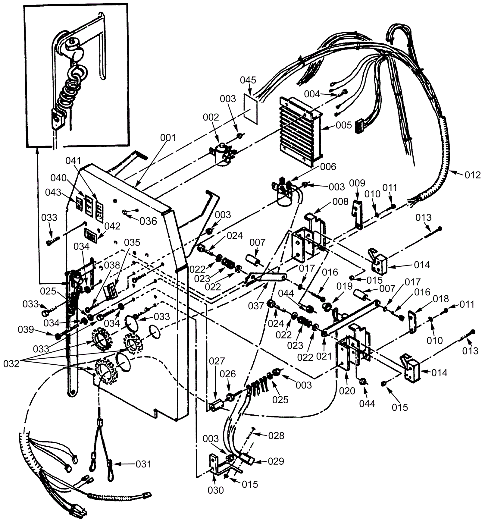
001 |
170-1796
|
Rear panel (OBSOLETE) |
$118.68
|
1 |
|
usually ships 1-5 days |
002 |
170-1797
|
Vacuum solenoid (OBSOLETE) |
$91.00
|
1 |
|
usually ships 13-18 days |
003 |
999-0294
|
Nut 1/4-20 hex nylon lock type NE stainless steel |
$1.18
|
9 |
|
ships same day |
004 |
999-0267
|
Screw 10-24 x 1/2 pan head phillips zinc |
$0.99
|
4 |
|
ships same day |
005 |
170-1798
|
Speed control (OBSOLETE) |
$1,600.39
|
1 |
|
usually ships 1-5 days |
006a |
172-2163
|
24V solenoid 4 post (2 large 2 small) |
$131.95
|
1 |
|
usually ships 13-18 days |
006b |
991-1226
|
24V solenoid 4 post (2 large 2 small) |
$66.28
|
1 |
(NON-OEM) |
usually ships 18-24 days |
007 |
170-0110
|
Squeegee lift handle |
$34.23
|
2 |
|
usually ships 13-18 days |
008 |
170-1800
|
Brush lift latch weldment (OBSOLETE) |
$69.30
|
1 |
|
usually ships 13-18 days |
009 |
170-9012
|
Brush lift wear plate |
$21.01
|
1 |
|
usually ships 1-5 days |
010 |
999-0311
|
Washer #10 external star lock zinc plated |
$0.99
|
4 |
|
ships same day |
011 |
999-0267
|
Screw 10-24 x 1/2 pan head phillips zinc |
$0.99
|
4 |
|
ships same day |
012 |
170-9011
|
Power L20 harness (OBSOLETE) |
$337.81
|
1 |
|
usually ships 1-5 days |
013 |
999-0974
|
Screw 6-32 x 1 1/4 pan head phillips stainless steel |
$7.92
|
4 |
|
ships same day |
014 |
170-0111
|
Vacuum switch assembly (OBSOELTE) |
$127.07
|
2 |
|
usually ships 13-18 days |
015 |
999-0227
|
Nut 6-32 hex nylon insert lock jam zinc plated |
$0.99
|
6 |
|
ships same day |
016 |
999-0587
|
Screw 3/8-16 x 5/8 round head slotted zinc |
$0.99
|
2 |
|
ships same day |
017 |
999-0201
|
Washer 3/8 internal star lock |
$0.99
|
2 |
|
ships same day |
018 |
170-0121
|
Wear plate (OBSOLETE) |
$29.52
|
1 |
|
usually ships 13-18 days |
019 |
170-6076
|
Pal nut |
$11.35
|
1 |
|
usually ships 13-18 days |
020 |
170-1804
|
Lift bracket (OBSOLETE) |
$246.26
|
1 |
|
usually ships 13-18 days |
021 |
170-1805
|
Lift lever |
$72.00
|
1 |
|
usually ships 13-18 days |
022 |
999-0024
|
Washer 5/16 flat stainless steel |
$1.34
|
4 |
|
ships same day |
023 |
170-0113
|
Spring (OBSOLETE) |
$10.56
|
2 |
|
usually ships 13-18 days |
024 |
999-0813
|
Bolt 5/16-18 x 1 x 1/4-20 socket head shoulder |
$8.69
|
2 |
|
ships same day |
025 |
999-0335
|
Washer 1/4 x 5/8 SAE flat stainless steel |
$0.99
|
2 |
|
ships same day |
026 |
170-0064
|
Stud 1/4-20 |
$12.89
|
1 |
|
usually ships 1-5 days |
027 |
170-0063
|
Insulated stand off |
$11.75
|
1 |
|
usually ships 1-5 days |
028 |
999-0656
|
Screw #6-32 x 7/8 pan head phillips zinc plated |
$0.99
|
2 |
|
ships same day |
029 |
N/A
|
Not available |
Call for price
|
1 |
(Console cable assemblyl) |
usually ships 3-26 days |
030 |
170-0090
|
Power connector bracket (OBSOLETE) |
$12.10
|
1 |
|
usually ships 1-5 days |
031 |
170-1848
|
Lift cable |
$97.85
|
1 |
|
usually ships 13-18 days |
032 |
170-1808
|
Slotted grommet 7.75 inch (OBSOLETE) |
$6.78
|
3 |
|
usually ships 1-5 days |
033 |
999-0334
|
Bolt 1/4-20 x 3/4 inch hex head stainless steel |
$3.85
|
10 |
|
usually ships 16-20 days |
034 |
999-0060
|
Washer 1/4 split lock plain finish |
$0.99
|
5 |
|
ships same day |
035 |
170-1809
|
Recovery tank latch bracket (OBSOLETE) |
$17.05
|
1 |
|
usually ships 1-5 days |
036 |
999-0442
|
Nut 10-24 nylon insert lock stainless steel |
$1.76
|
4 |
|
ships same day |
037 |
170-1810
|
Lift lever |
$62.45
|
1 |
|
usually ships 1-5 days |
038 |
999-0081
|
Screw 1/4-20 x 5/8 pan head slotted zinc |
$0.99
|
2 |
|
ships same day |
039 |
999-0522
|
Screw 1/4-20 x 1/2 pan head phillips stainless steel |
$1.03
|
1 |
|
ships same day |
040 |
170-0230
|
Falling parts warning decal |
$17.74
|
1 |
|
usually ships 1-5 days |
041 |
170-0229
|
Battery warning decal |
$17.74
|
1 |
|
usually ships 1-5 days |
042 |
170-1812
|
Battery install label (OBSOLETE) |
$7.70
|
1 |
|
usually ships 1-5 days |
043 |
170-1813
|
CE label (OBSOLETE) |
Call for price
|
1 |
|
usually ships 1-5 days |
044 |
999-0609
|
Nut 1/4-20 hex stainless steel |
$0.99
|
2 |
|
ships same day |
045 |
170-3441
|
Traverse troubleshooter label (OBSOLETE) |
Call for price
|
1 |
|
usually ships 1-5 days |