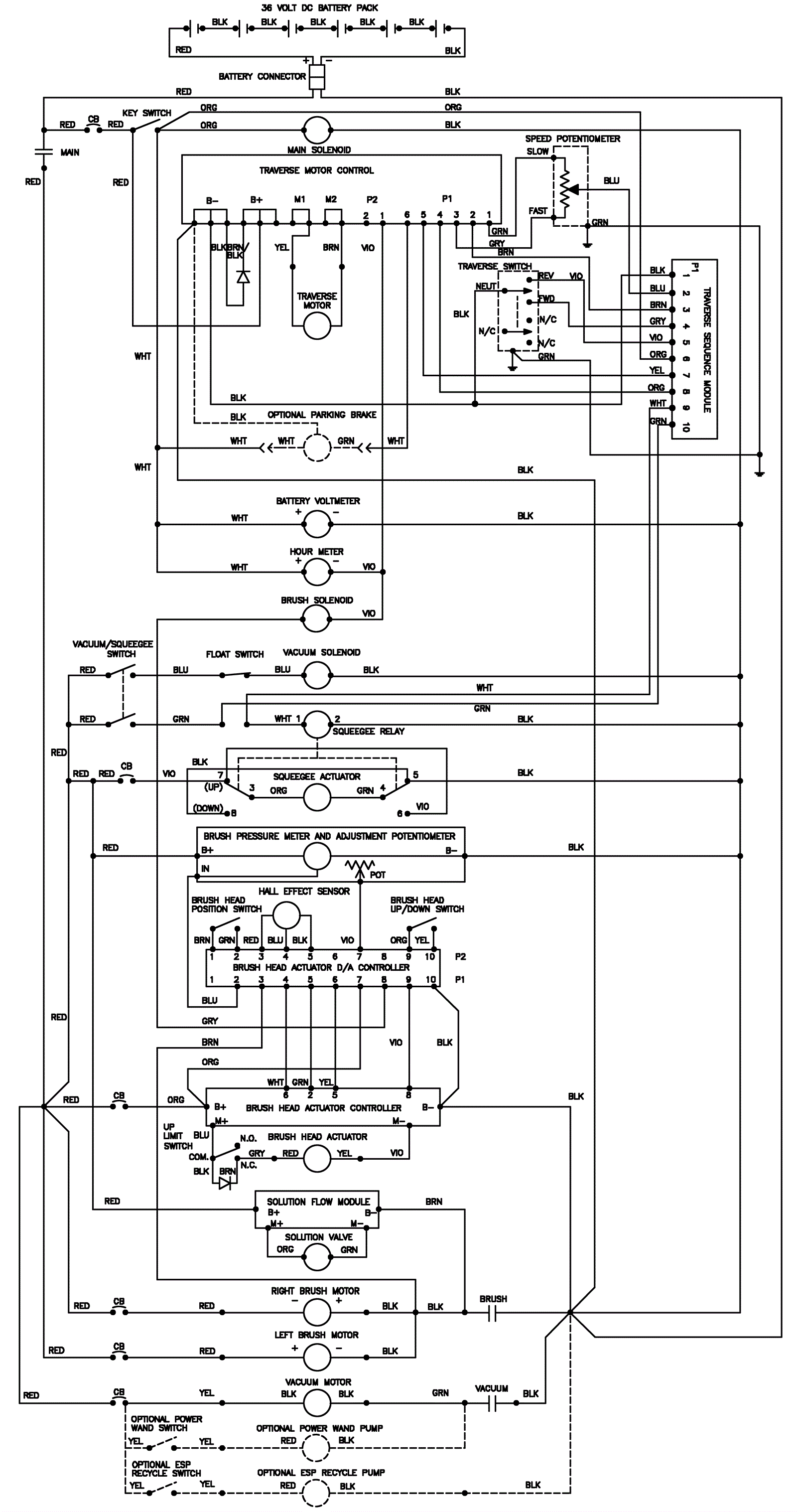
Wiring Diagram
Click to enlarge