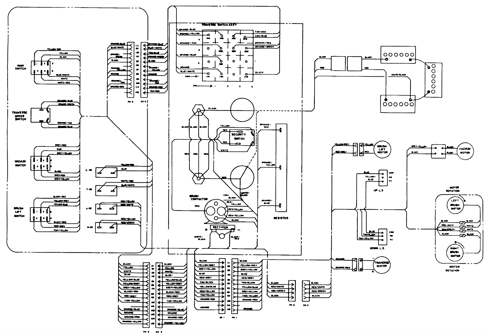
Connection Diagram
Click to enlarge