| # | Part | Description | Price | Req | Notes | Availability |
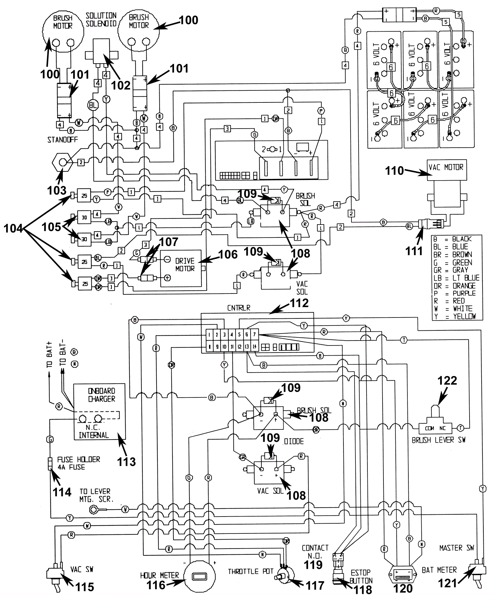
100a |
164-0125
|
36V brush gear motor assembly |
Call for price
|
2 |
(OEM) |
usually ships 17-22 days |
100b |
991-2122
|
36V .75HP brush motor assembly with gear box |
Call for price
|
2 |
(NON-OEM) (you will also need to order 999-0130) |
usually ships 13-17 days |
100c |
999-0130
|
Screw 5/16-18 x 3/4 socket head alloy plain finish |
Call for price
|
2 |
(for NON-OEM brush motor) |
usually ships 11-14 days |
101 |
991-2105
|
SB50 50amp charger plug with pins (gray) |
Call for price
|
2 |
|
usually ships 13-17 days |
102 |
164-2495
|
Solenoid valve |
Call for price
|
1 |
|
usually ships 1-5 days |
103 |
164-0310
|
Insulated stand off |
Call for price
|
1 |
|
usually ships 17-22 days |
104 |
991-1609
|
25amp circuit breaker |
Call for price
|
3 |
(controller) |
usually ships 17-22 days |
105 |
991-1618
|
30amp circuit breaker |
Call for price
|
2 |
(brush) |
usually ships 17-22 days |
106a |
164-0172
|
36V drive motor |
Call for price
|
1 |
(OEM) |
usually ships 17-22 days |
106b |
991-5114
|
36V drive motor |
Call for price
|
1 |
(NON-OEM) |
usually ships 13-17 days |
107 |
998-0001
|
1/4 spade male terminal 10-12 gauge |
Call for price
|
2 |
|
usually ships 11-14 days |
108 |
991-1223
|
36V solenoid contactor with 4 post |
Call for price
|
4 |
|
usually ships 13-17 days |
109 |
164-0583
|
Silicon rectifier (diode) |
Call for price
|
4 |
|
usually ships 17-22 days |
110a |
164-1424
|
36V vacuum motor with packard plug |
Call for price
|
1 |
(NSS) |
usually ships 1-5 days |
110b |
991-1202-P
|
36V 3 stage vacuum motor tangential with Packard plug |
Call for price
|
1 |
(NON-OEM) |
usually ships 1-5 days |
111a |
164-1566
|
Female plug connector |
Call for price
|
1 |
|
usually ships 1-5 days |
111b |
164-3293
|
Cable seal |
Call for price
|
1 |
|
usually ships 1-5 days |
111c |
164-3294
|
Terminal locator |
Call for price
|
1 |
|
usually ships 1-5 days |
111d |
164-3295
|
Female terminal |
Call for price
|
1 |
|
usually ships 1-5 days |
111e |
164-3298
|
Male plug connector |
Call for price
|
1 |
|
usually ships 17-22 days |
111f |
164-3299
|
Male terminal |
Call for price
|
1 |
|
usually ships 17-22 days |
112a |
164-7403
|
36V drive controller |
Call for price
|
1 |
|
usually ships 17-22 days |
112b |
164-7404
|
Wire harness for controller |
Call for price
|
1 |
|
usually ships 17-22 days |
113a |
164-7962
|
Onboard charger retro kit - Wrangler 2730-3330 |
Call for price
|
1 |
(NSS) |
usually ships 17-22 days |
113b |
162-9027
|
36V 25amp onboard battery charger (Dual Pro) (AGM/wet) |
Call for price
|
1 |
(Dual Pro) (Does not include green wire. Open the control panel and in the main harness bundle (running up from the trio to the LCD/switches) there should be a black wire taped up (it may be tagged remote/off board charger only). Release that wire and run it up to the E-Stop and attach it into the terminal where the green wire is connected.) |
usually ships 9-23 days |
114 |
164-1328
|
Fuse holder with nut and washer |
Call for price
|
1 |
|
usually ships 17-22 days |
115 |
164-0023
|
Toggle switch |
Call for price
|
1 |
(vacuum) |
usually ships 17-22 days |
116 |
164-1451
|
Hour meter |
Call for price
|
1 |
|
usually ships 17-22 days |
117 |
172-2039
|
5K potentiometer |
Call for price
|
1 |
|
usually ships 13-16 days |
118 |
164-2024
|
Emergency stop |
Call for price
|
1 |
|
usually ships 17-22 days |
119 |
164-7412
|
Emergency stop block (green button) |
Call for price
|
1 |
(for use with I-Drive control board 164-7403) |
usually ships 17-22 days |
120 |
164-7405
|
Trucharge indicator |
Call for price
|
1 |
|
usually ships 17-22 days |
121 |
164-0023
|
Toggle switch |
Call for price
|
1 |
(master) |
usually ships 17-22 days |
122 |
164-0015
|
Switch |
Call for price
|
1 |
(brush) |
usually ships 15-16 days |
N/S |
164-2673
|
Wire assembly - Anderson to battery |
Call for price
|
|
|
usually ships 17-22 days |
N/S |
164-7934
|
120 Amp gray charger plug with pins SB120 |
Call for price
|
|
|
usually ships 1-5 days |