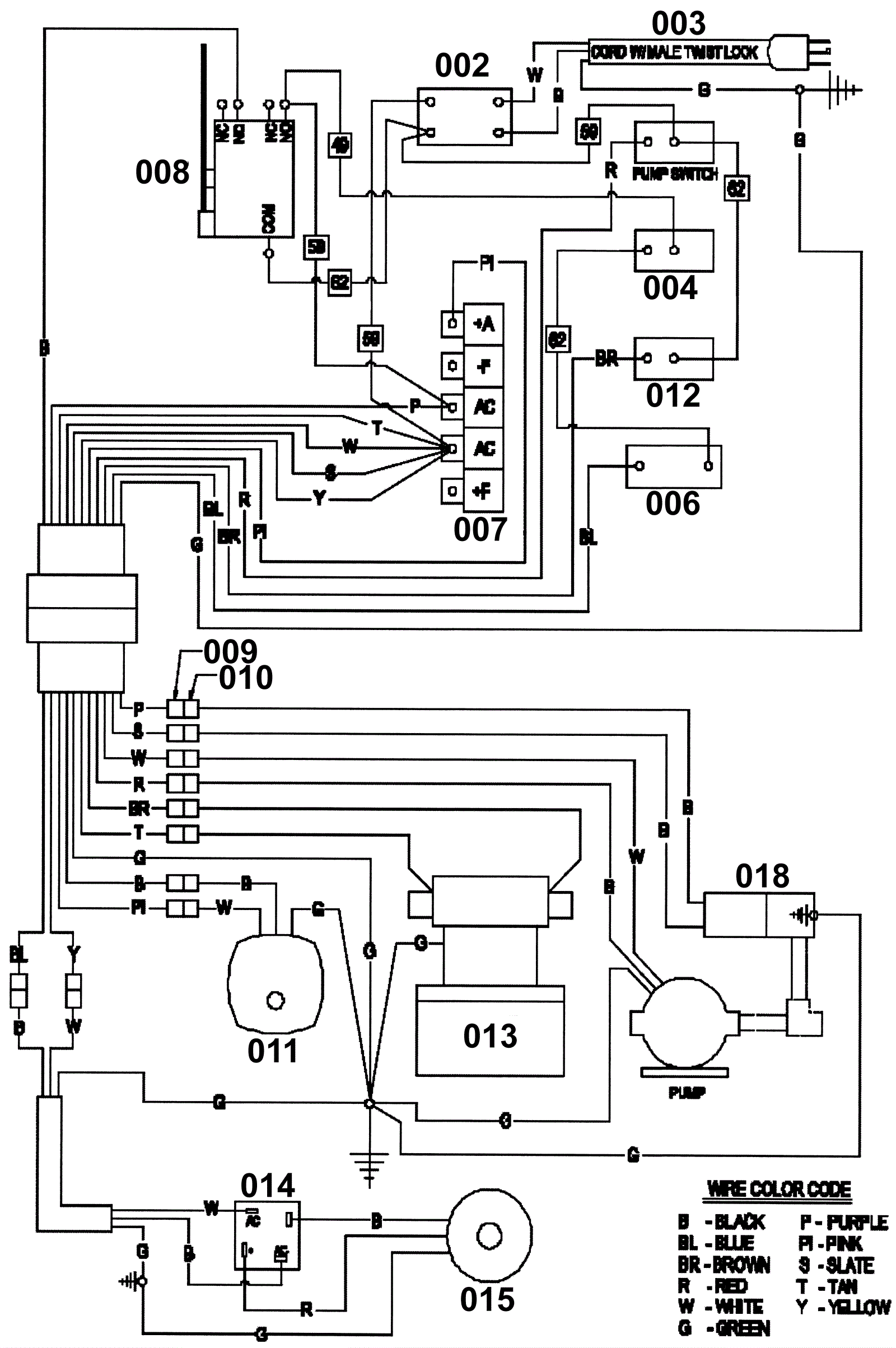
| # | Part | Description | Price | Req | Notes | Availability |
002 |
164-4200
|
Master switch |
$49.05
|
|
|
usually ships 1-5 days |
003 |
164-6819
|
Cord with male twist lock (OBSOLETE) |
$35.70
|
|
|
usually ships 1-5 days |
004 |
164-0002
|
Rocker switch |
$14.05
|
|
|
usually ships 19-25 days |
006 |
164-4133
|
3amp circuit breaker |
$50.63
|
|
|
ships same day |
007 |
164-1775
|
Speed control with knob |
$325.00
|
|
|
usually ships 1-5 days |
008 |
164-1179
|
Limit switch |
$69.31
|
|
|
usually ships 19-25 days |
009 |
998-0044
|
12-10 nylon female connector |
$0.99
|
|
|
ships same day |
010 |
998-0001
|
1/4 spade male terminal 10-12 gauge |
$0.99
|
|
|
ships same day |
011 |
164-4218
|
120V brush drive motor kit |
$1,681.63
|
|
|
usually ships 1-5 days |
012a |
164-4200
|
Master switch |
$49.05
|
|
(OEM) |
usually ships 1-5 days |
012b |
991-5118
|
Snap switch |
$16.87
|
|
(NON-OEM) |
usually ships 1-5 days |
013a |
164-3924
|
120V 3 stage vacuum motor |
$694.35
|
|
(NSS) |
usually ships 1-5 days |
013b |
991-1239
|
120V 3 stage vacuum motor peripheral |
$339.99
|
|
(Ametek-Lamb) |
ships same day |
013c |
164-1238
|
Gasket cover plate |
$5.51
|
|
|
usually ships 19-25 days |
014 |
163-0063
|
240V rectifier |
$10.65
|
|
|
ships same day |
015 |
164-4184
|
120V brush motor |
$269.30
|
|
|
usually ships 19-25 days |
018 |
164-4564
|
120V solenoid valve |
$206.36
|
|
|
usually ships 19-25 days |
N/S |
164-4642
|
Jumper wire (switch box) |
$6.16
|
|
|
usually ships 1-5 days |