# | Part | Description | Price | Req | Notes | Availability |
1 |
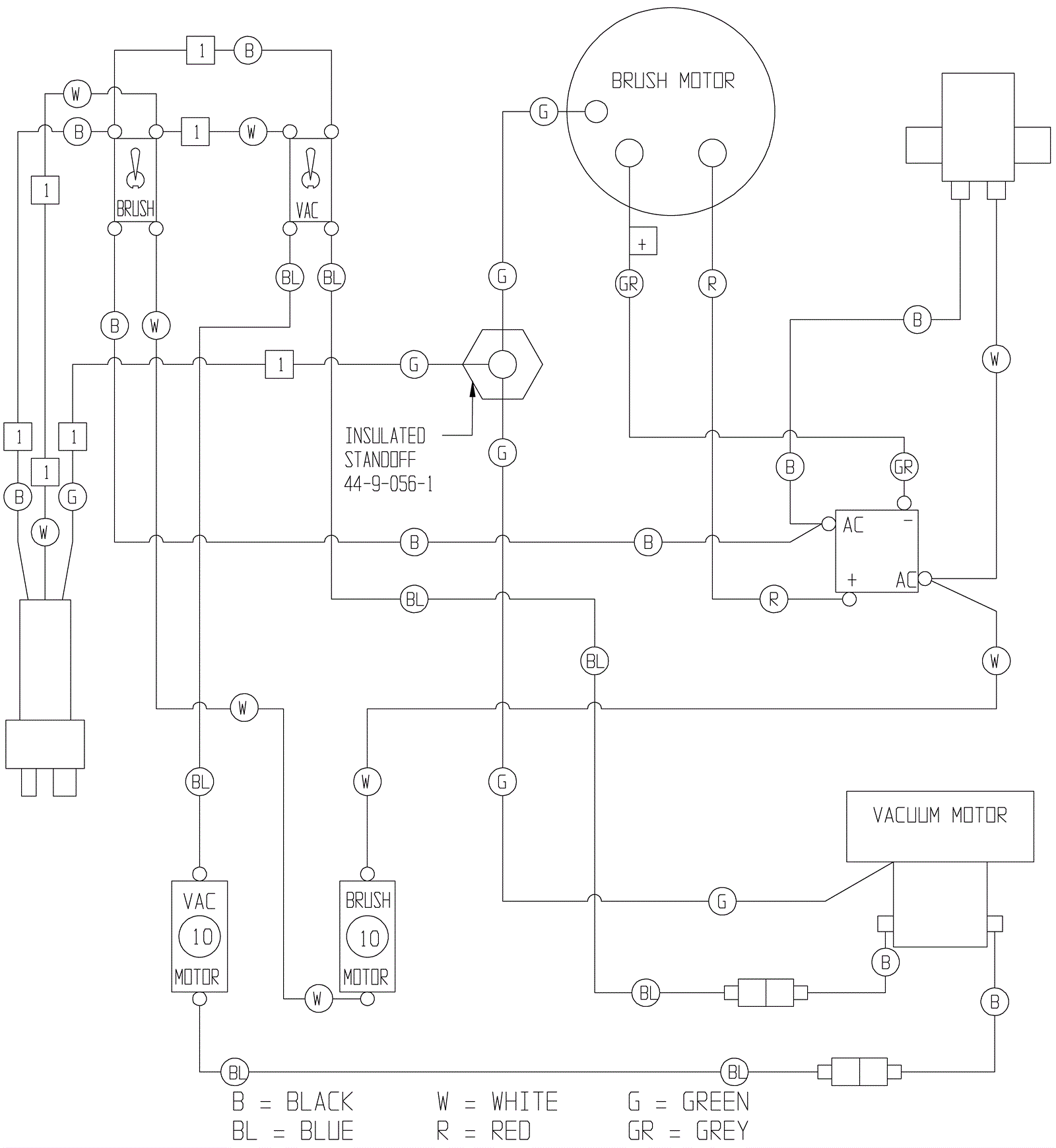
164-2532
|
Wire harness 2016E |
$120.46
|
1 |
|
usually ships 1-5 days |
1 |
164-2533
|
Stub cord w/ male twist lock |
$168.03
|
1 |
|
usually ships 1-5 days |
3 |
164-0290
|
Toggle switch |
$14.63
|
2 |
|
ships same day |
4 |
164-2440
|
Gear mtr. imp. 3/4Hp 120Vac - W20 |
$2,141.54
|
1 |
|
usually ships 1-5 days |
5 |
164-2534
|
Solution solenoid valve - 120V |
$399.43
|
1 |
|
ships same day |
6 |
164-0310
|
Insulated stand off |
$13.66
|
1 |
|
usually ships 19-25 days |
7 |
163-0063
|
240V rectifier |
$10.65
|
1 |
|
ships same day |
8 |
991-1621
|
10amp circuit breaker |
$78.33
|
2 |
|
ships same day |
9 |
164-2353
|
Vacuum motor |
$261.75
|
1 |
|
ships same day |
10 |
164-4644
|
Female terminal |
$3.72
|
2 |
|
usually ships 19-25 days |