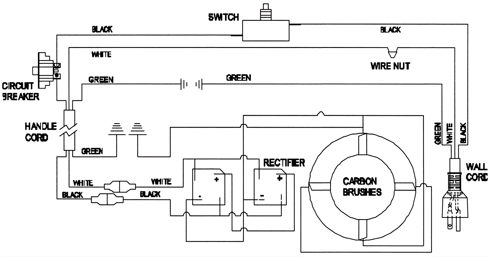
Wiring Diagram - 120V-Single Speed
Click to enlarge