| # | Part | Description | Price | Req | Notes | Availability |
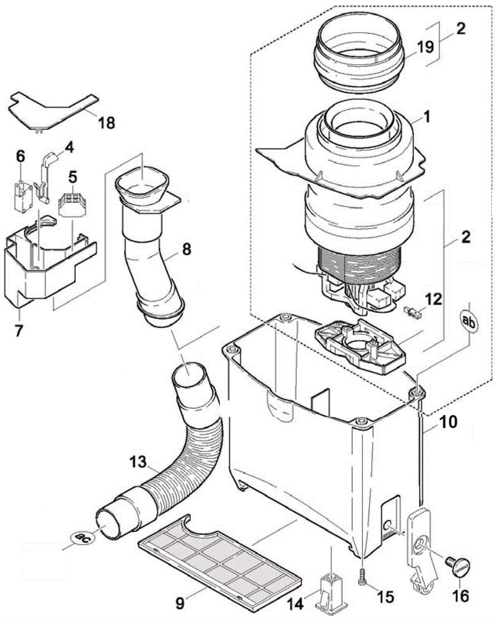
1 |
164-6136
|
Seal vacuum motor |
$43.15
|
1 |
|
usually ships 1-5 days |
2a |
164-6762
|
Vac motor, 115V |
$390.59
|
1 |
(includes 003, 012a, 019) |
usually ships 1-5 days |
2b |
164-7279
|
Vacuum motor 240V (OBSOLETE) |
$170.39
|
1 |
(includes 003, 012b, 019) |
usually ships 1-5 days |
3 |
164-6763
|
Motor support |
$14.43
|
1 |
|
usually ships 1-5 days |
4 |
164-6139
|
Plastic lever micro switch |
$5.76
|
1 |
|
usually ships 19-25 days |
5 |
164-6140
|
Terminal block |
$16.49
|
1 |
|
usually ships 1-5 days |
6 |
164-6141
|
Micro switch |
$16.36
|
1 |
|
usually ships 19-25 days |
7a |
164-6142
|
Connecting tube cover |
$14.43
|
1 |
|
usually ships 19-25 days |
7b |
164-6767
|
Cover-connecting tube-240 volt |
$14.43
|
1 |
|
usually ships 19-25 days |
8 |
164-6143
|
Hose connecting tube (OBSOLETE) |
$7.63
|
1 |
|
usually ships 1-5 days |
9 |
164-0812
|
Exhaust filter |
$11.00
|
1 |
|
usually ships 19-25 days |
10a |
164-6144
|
Vac motor housing (OBSOLETE) |
$114.05
|
1 |
|
usually ships 19-25 days |
10b |
164-7281
|
Housing vacuum motor 240V |
$115.01
|
1 |
|
usually ships 1-5 days |
12a |
164-6735
|
Carbon brush set |
$45.46
|
1 |
|
usually ships 19-25 days |
12b |
164-7280
|
Carbon brush set 240v (OBSOLETE) |
$12.65
|
1 |
|
usually ships 1-5 days |
13 |
164-6145
|
Brush head hose |
$43.54
|
1 |
|
usually ships 19-25 days |
14 |
164-0810
|
Female receptacle electric plug |
$22.56
|
1 |
|
usually ships 19-25 days |
15 |
164-6678
|
Screw M5 x 16 oval head |
$5.76
|
4 |
|
usually ships 19-25 days |
16 |
164-1146
|
Thumb screw |
$3.97
|
2 |
|
usually ships 19-25 days |
18 |
164-6147
|
Plate tube cover |
$15.33
|
1 |
|
usually ships 1-5 days |
19 |
164-6764
|
Intermediate ring |
$10.13
|
1 |
|
usually ships 1-5 days |