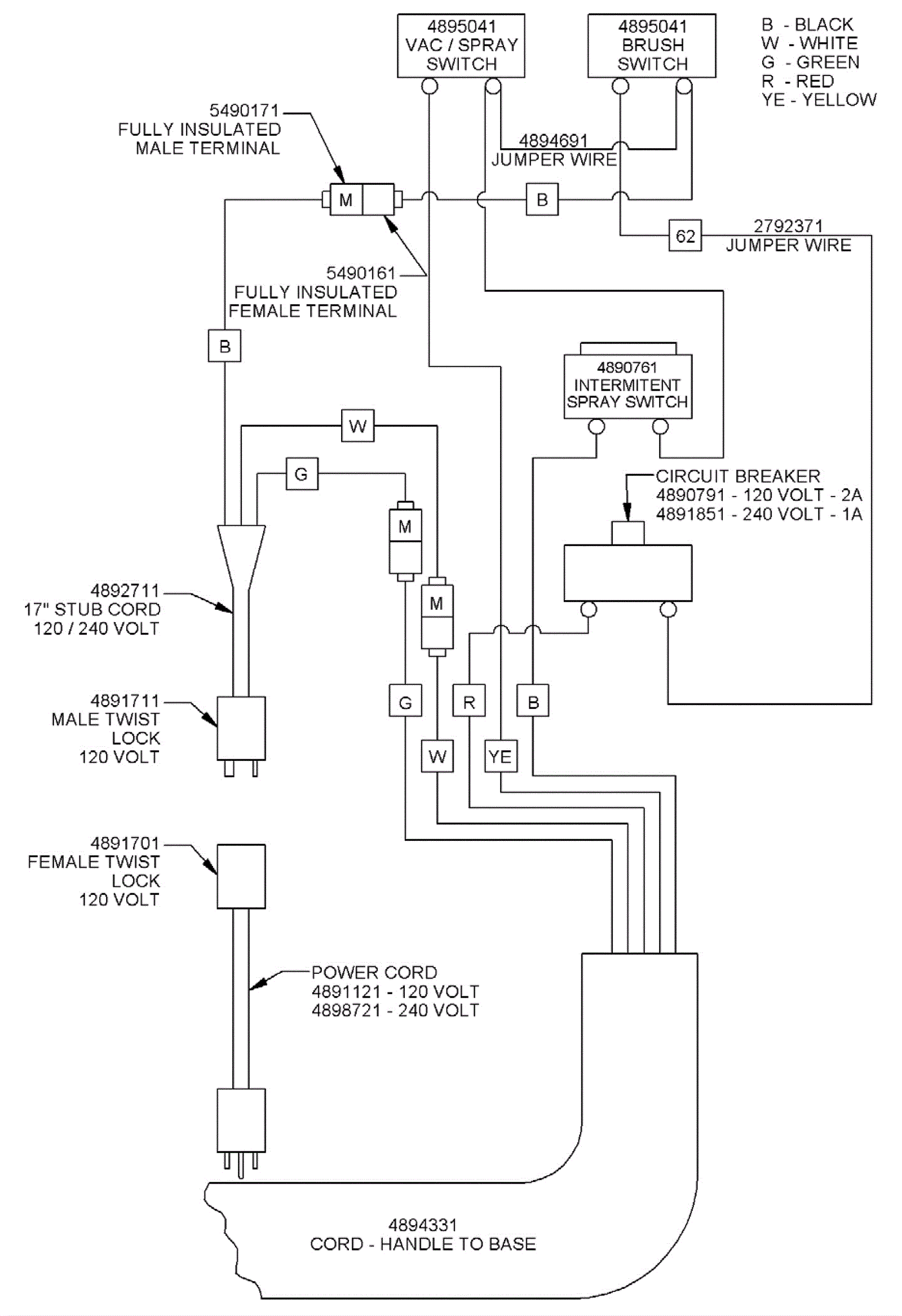
Wiring Diagram - Control Handle
Click to enlarge